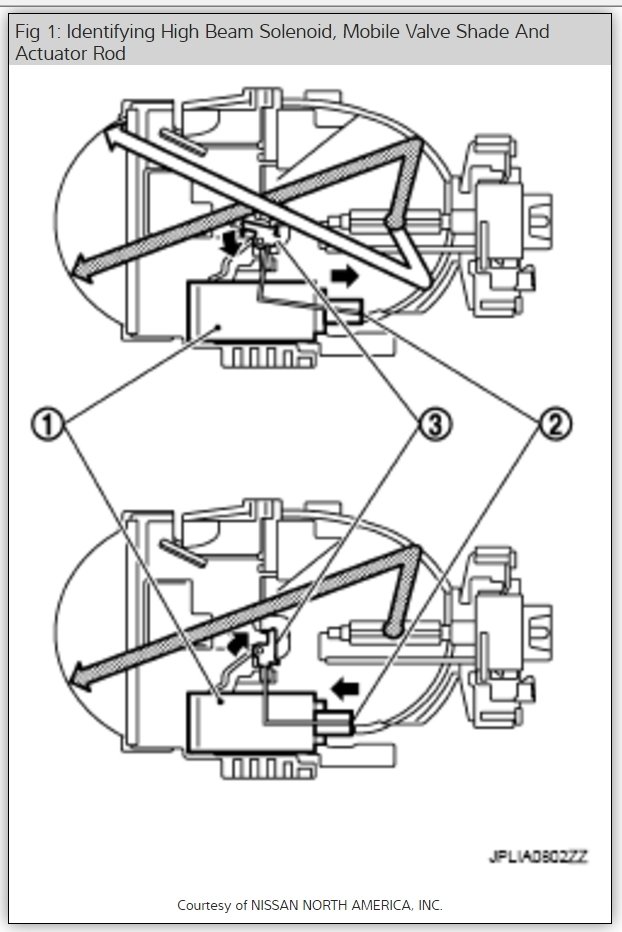
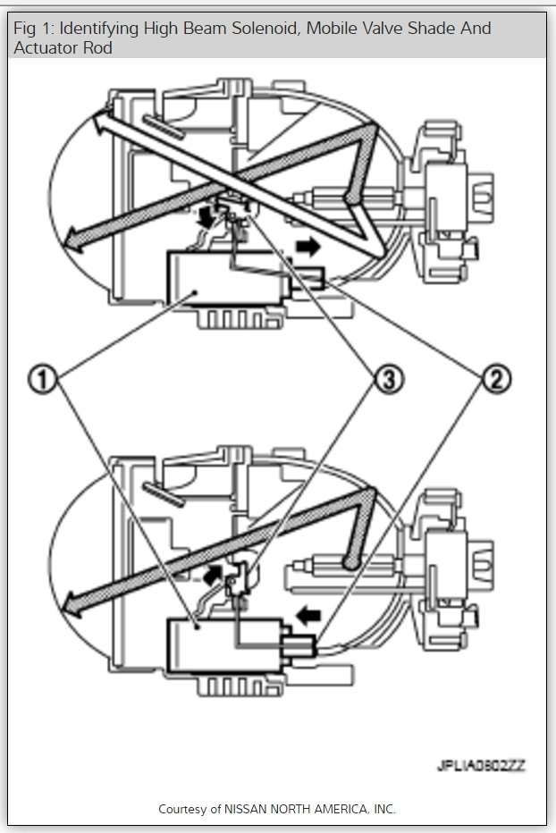
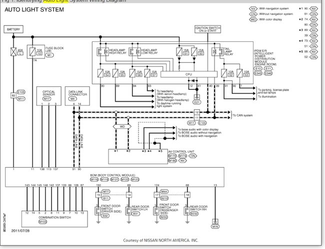
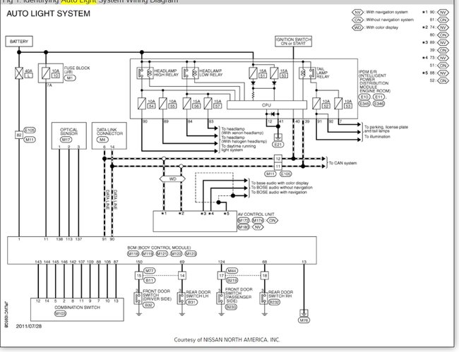
Was advise by the dealer that one of my cars HID driver side headlight was broken, so I had it replaced by them. Once returned I did not check whether it the dim light and affected HID was aligned. All I was aware of there was light already. After six months I notice that there was something wrong with the new HID headlight, it was just focusing downward regardless of using the leveler switch. The adjacent dim light will respond to the leveler switch but the HID headlight will not move. I returned my car to the dealer and there recommendation was to replace the whole module/mechanism of the headlight that will cost me $920 AUD. I do not buy there advise since they failed to specifically identify what cause the problem. I have a theory of incorrect workmanship. Is it possible that there is a safety procedure to replace the HID headlight by zero in the leveler switch and aligning the new headlight? Because if that is the case if the new HID headlight was not aligned properly with whatever indicating slot the moment I used the leveler switch it will jam any actuator or motor that makes the movement of the lights up and down? doing so it will heat up the motor/actuator causing the frying of the electrical mechanism. A theory. I do not have the process flow diagram or system description specific to the headlight mechanism.Can anyone help me please? Car model is Nissan Dualis +2 TI-L .i intend to go to umbudsman and file a complain but need to explain to them further the detail beyond reasonable doubt that it was negligence of duty in connection to workmanship. Thank you in advance.
Oct 19, 2016 at 3:22 AM

