The electric tilt wheel and pedal adjustment quit working

2013 CADILLAC ESCALADE
75,000 MILES • 6.2L • V8 • 2WD • AUTOMATIC
Avatar
BRADENRACING23
  • MEMBER
  • 2 POSTS
Is this likely the power control module PN 20870473?
Nov 24, 2019 at 5:41 PM
Advertisement
Avatar
KASEKENNY
  • CERTIFIED EXPERT
  • 18,907 POSTS
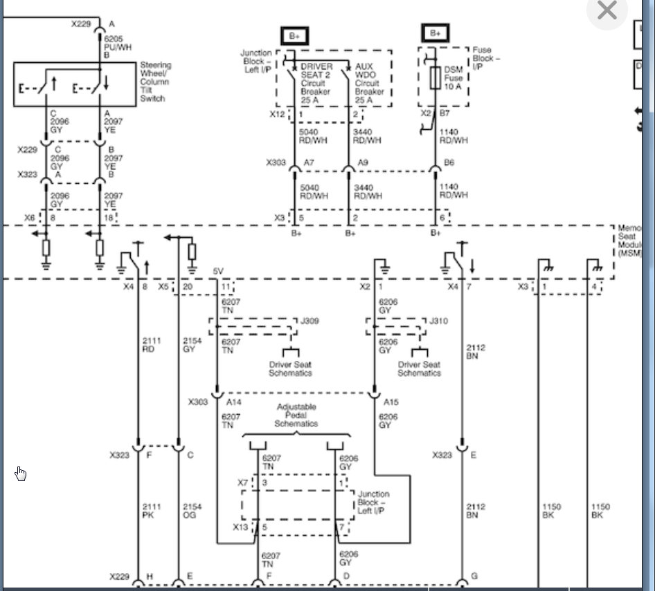
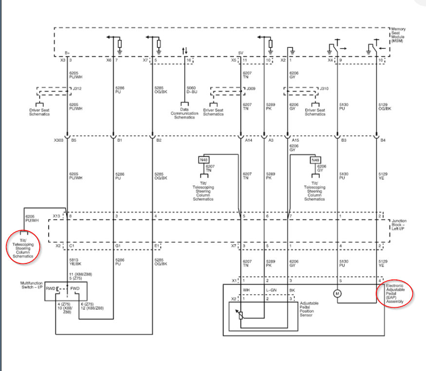
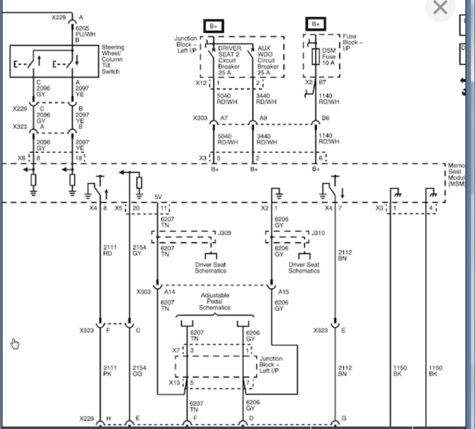
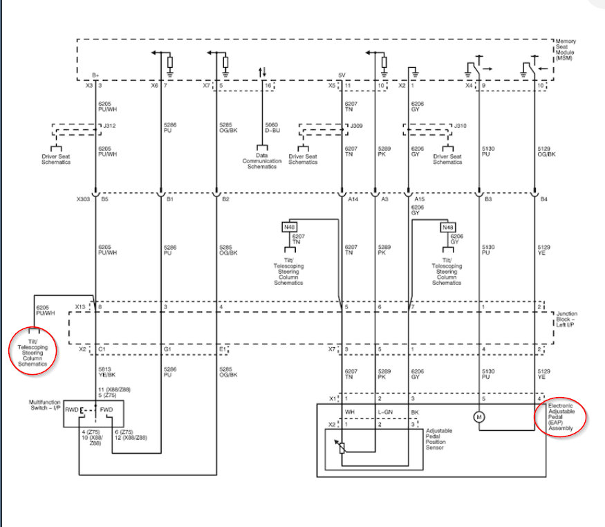
I would assume that the memory seat module is the issue. According both wiring diagrams the MSM controls both functions. So I would probably go ahead and replace this unless you want to check voltage coming out of the MSM to each function.

Let me know what happens but I would be surprised if this is not the issue.
Nov 24, 2019 at 6:58 PM
Avatar
BRADENRACING23
  • MEMBER
  • 2 POSTS
Replacing the module fixed the issue. I did have to get it programmed after install.
Jan 27, 2020 at 7:43 AM
Advertisement
Avatar
KASEKENNY
  • CERTIFIED EXPERT
  • 18,907 POSTS
Great news. Thanks for the update. I am sure that info will help others. Also the fact that it requires programming. That is great information. Thanks and come back to 2CarPros in the future if you need assistance.
Jan 27, 2020 at 7:15 PM