panic alarm goes off intermittently

2001 MERCURY SABLE
110,000 MILES • 6 CYL • FWD • AUTOMATIC
Avatar
DAVLDAVIS
  • MEMBER
  • 1 POST
The panic alarm goes off at random on the sable. Especially in cold and wet, is there a specific fuse I can pull to turn off the panic capability, or another way to disable it? I don't want to have to go to a mechanic to repair it, I just want my neighbors to not be bothered by a random beeping of the horn.
Nov 24, 2008 at 11:19 PM
Advertisement
Avatar
ZACKMAN
  • CERTIFIED EXPERT
  • 4,202 POSTS
Car battery tends to be weaker during cold or wet times. Have your battery tested, making sure that it is still strong.

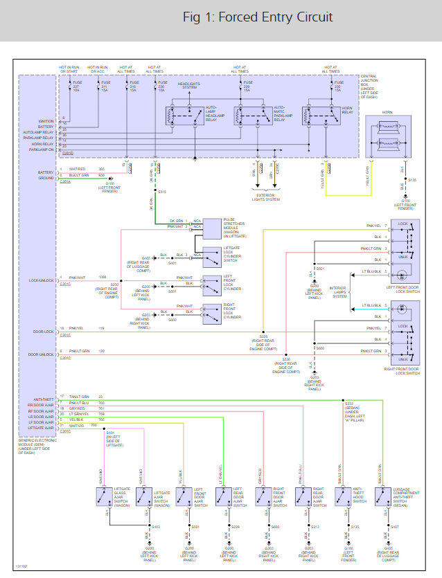
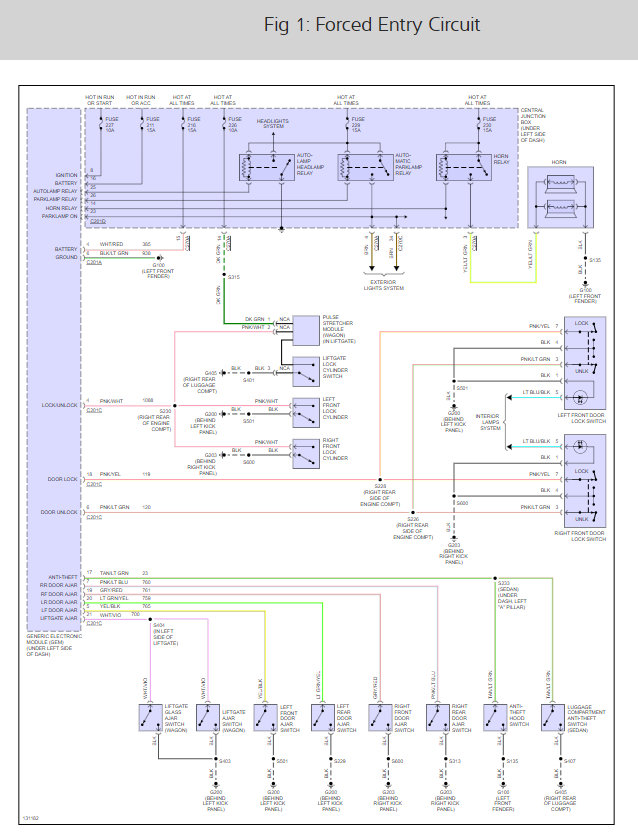
Your alarm system uses 5 different fuses that are tied in with other important system in the car, so removing any fuse will turn off the horn, but will render other system inoperative (one of them being the starter).

If the battery is good there is a glitch in the system or the remote. To find out which one remove the batteries from both remotes and see if it still does it.

If so the GEM needs to be replaced and the security system reprogrammed should cost about $130.00. Here is the location of the GEM and the alarm wiring diagrams so you can see how the system works

Check out the diagrams (Below). Please let us know if you need anything else to get the problem fixed.

Cheers
Nov 26, 2008 at 1:14 AM