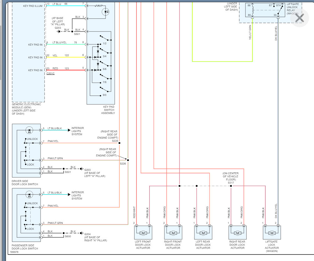
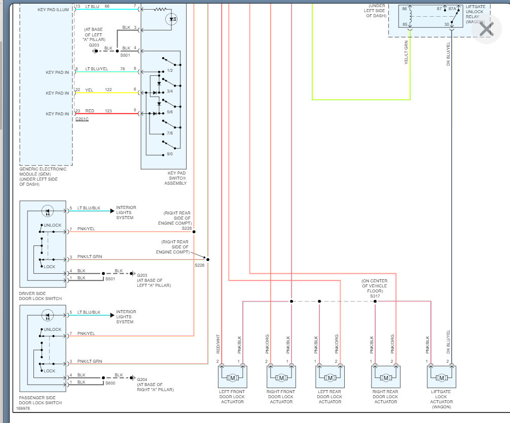
The car door light stays on, telling me a door is open. No door is open. The dome light stays on also. The power locks are going up and down. What is happening??Any one having same problems??When I turn the car off, the dome light stays on. To get it to go off I have to disconnect the battery..
Jan 11, 2010 at 12:16 AM

