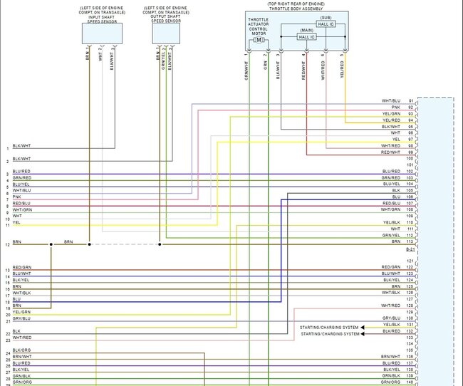
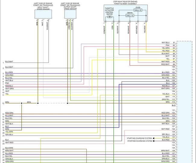
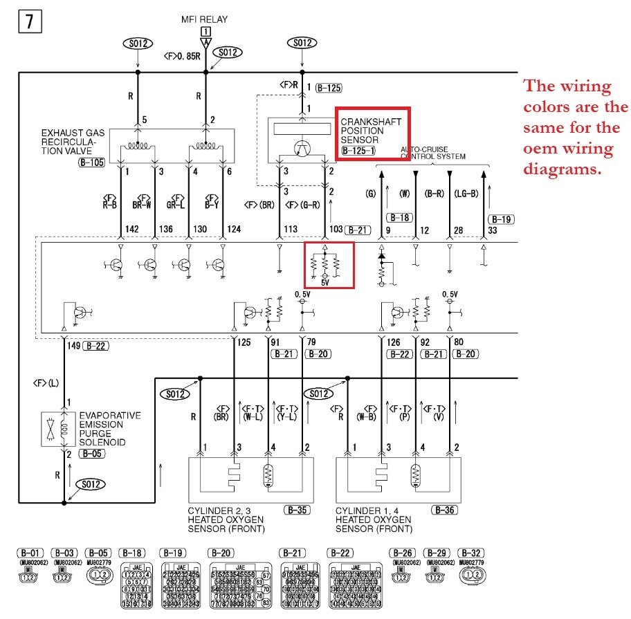
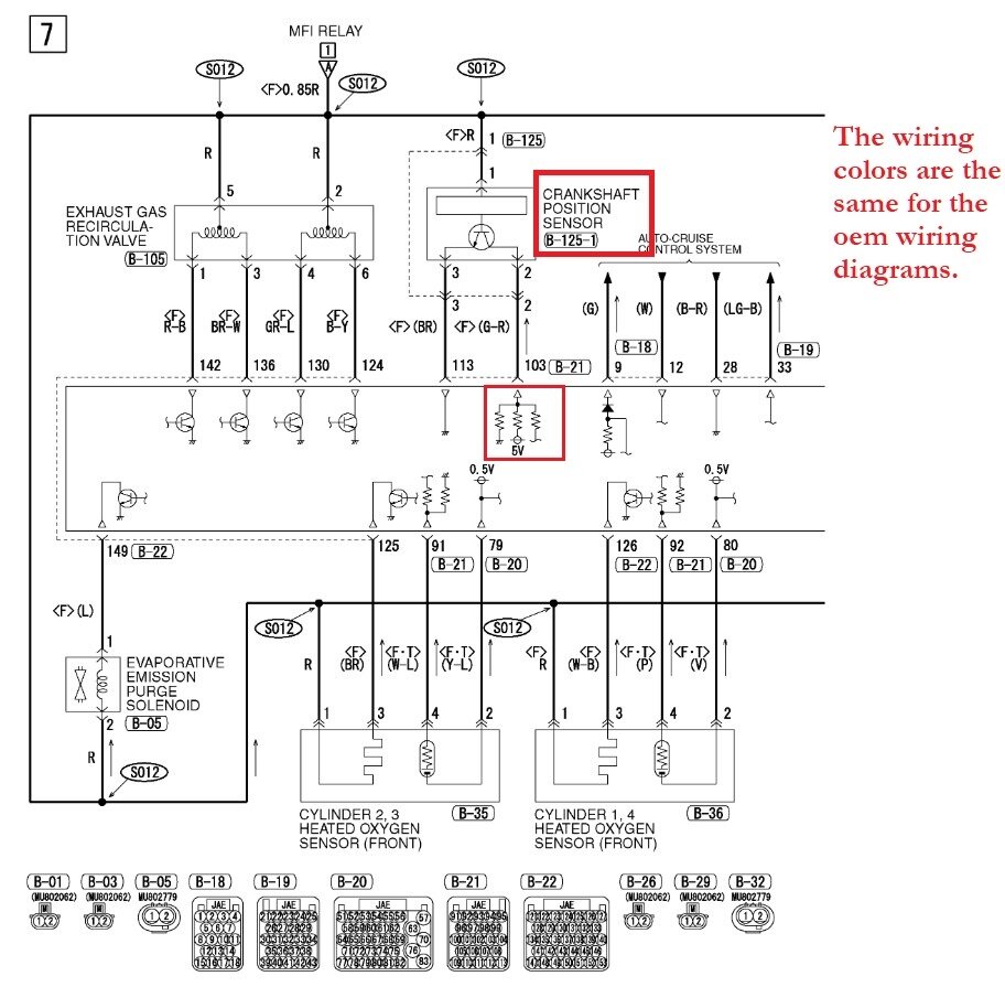
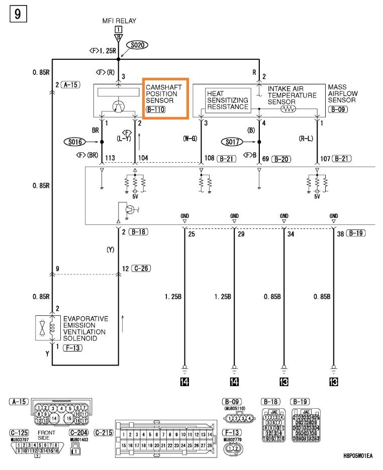
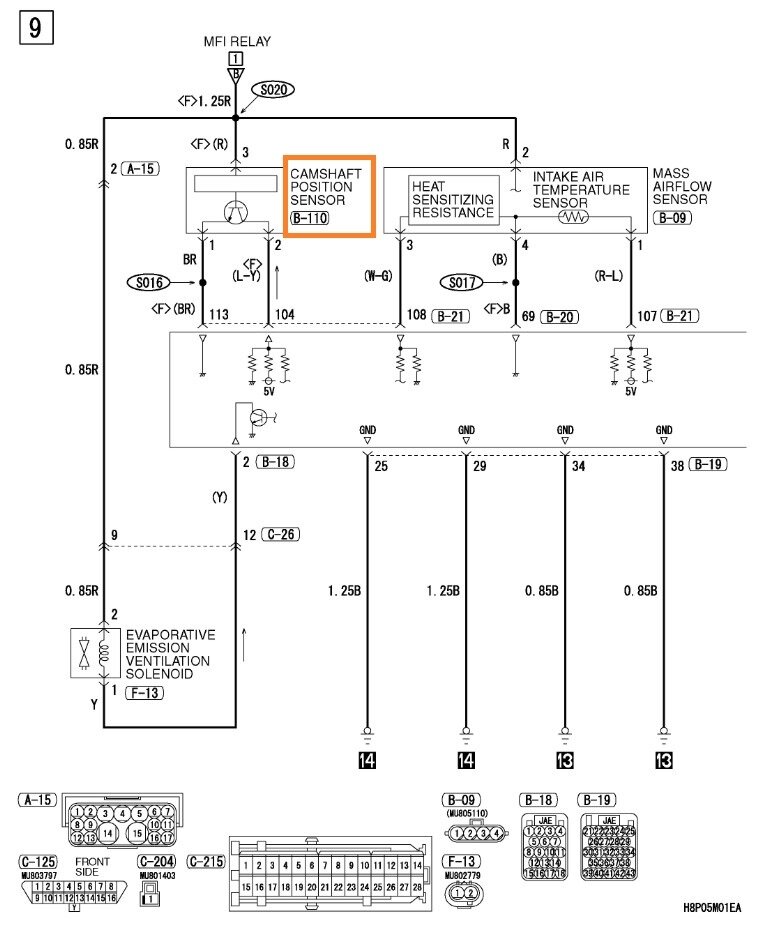
Having a issue with wiring a 4pin relay for my AT relay, plus my starter relay, MFI relay, actually it's the actuator thats a problem, might be that my trigger grounds are causing my relay to not switch over for power output , especially the thin green wire and the two spliced together purple with yellow stripe to my air conditioner
Apr 2, 2026 at 6:58 PM













