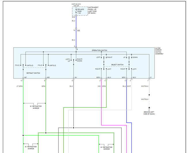
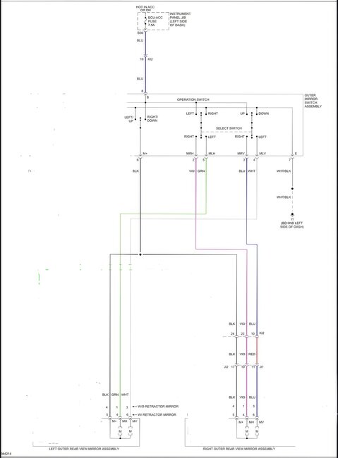
Hi , in my car the harness that comes from the mirror contains 4 wires but the switch that is basic without mirror folding button contains 7 pins, my question is, the function of each of those 4 wires, and the function of each pin of 7 pins?
I am asking because I want to upgrade my mirror to folding mirror, so I want to match the new mirror wires to the old switch, and adding separate mirror switch for folding mirror.
I am asking because I want to upgrade my mirror to folding mirror, so I want to match the new mirror wires to the old switch, and adding separate mirror switch for folding mirror.
May 11, 2025 at 10:44 AM











