Outside mirror light will not go off

2008 MERCURY MILAN
162,000 MILES • 3.0L • V6 • 4WD • AUTOMATIC
Avatar
CLEETCORTEZ2
  • MEMBER
  • 3 POSTS
It keeps draining the battery dead. I wait about 45 minutes and it never turned off. I don’t know what I need to do.
Aug 29, 2019 at 4:55 PM
Advertisement
Avatar
KASEKENNY
  • CERTIFIED EXPERT
  • 18,907 POSTS
Hi,

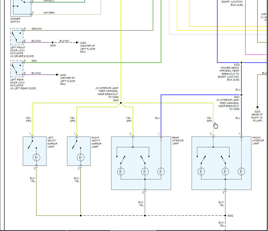
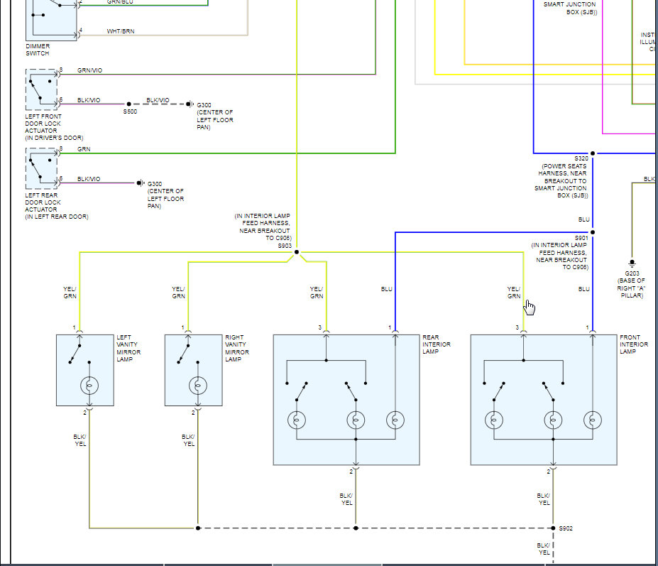
I suspect the switch inside the mirror has shorted. If you look at the wiring diagram each mirror lamp shares a feed wire and a ground. So it is unlikely that anything they have in common is the cause. That leaves the specific wire to the lamp or the mirror/lamp itself. I would suggest unplugging the mirror and testing the voltage on the power wire. I included the connector views of each one depending on which side is staying on. Just unplug the connector and see if you still have voltage on pin one. If you do, then there is a wiring issue. If you don't have power when it is unplugged then you know that the mirror/lamp is shorted and needs to be replaced.

Let me know if you have questions or what you find. Thanks
Aug 30, 2019 at 2:27 PM