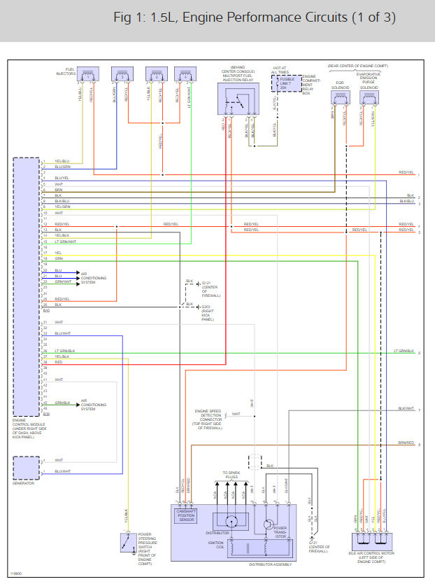
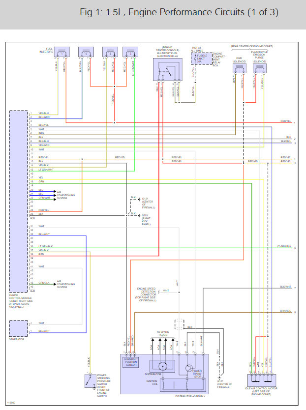
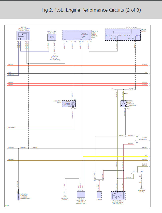
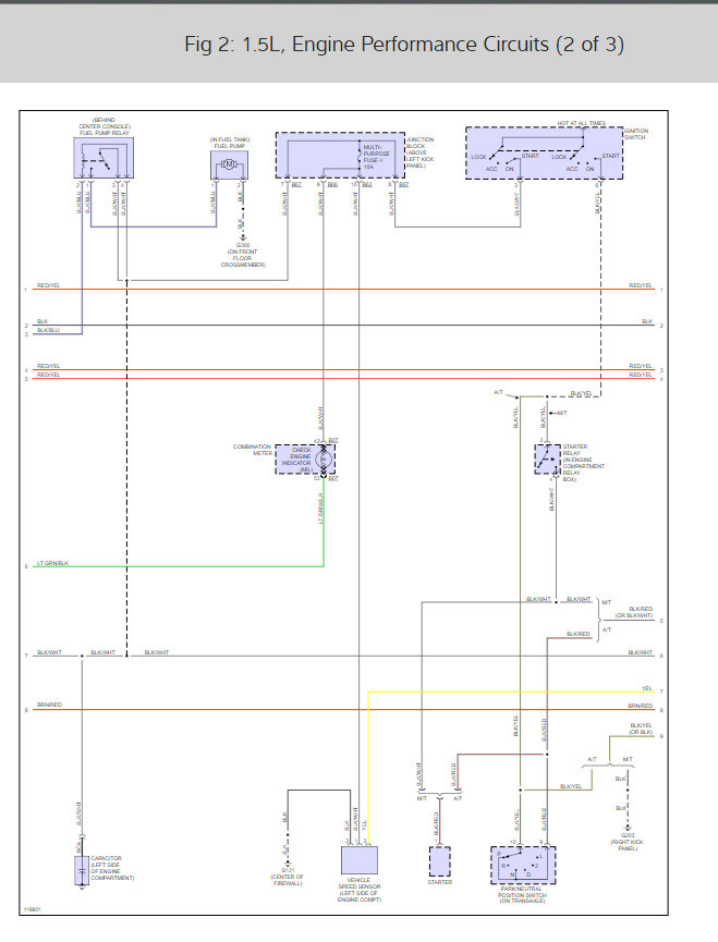
Cylinder one and four misfire, check engine light blinks on dashboard. Only two and three firing. Mechanic rule out compression, injectors, coil, spark plug. Also replaced valves and seal. Help anyone please.
Jun 2, 2018 at 4:50 PM


