Electrical problem 6 cyl Two Wheel Drive Automatic 103900 miles
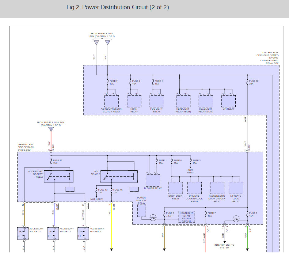
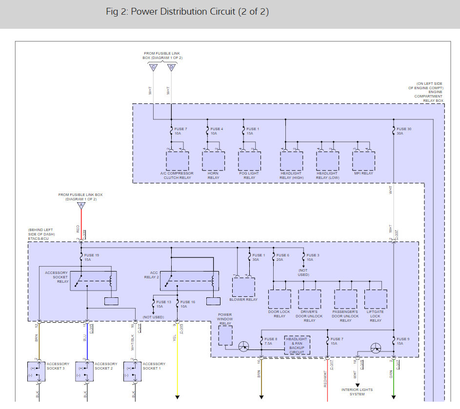
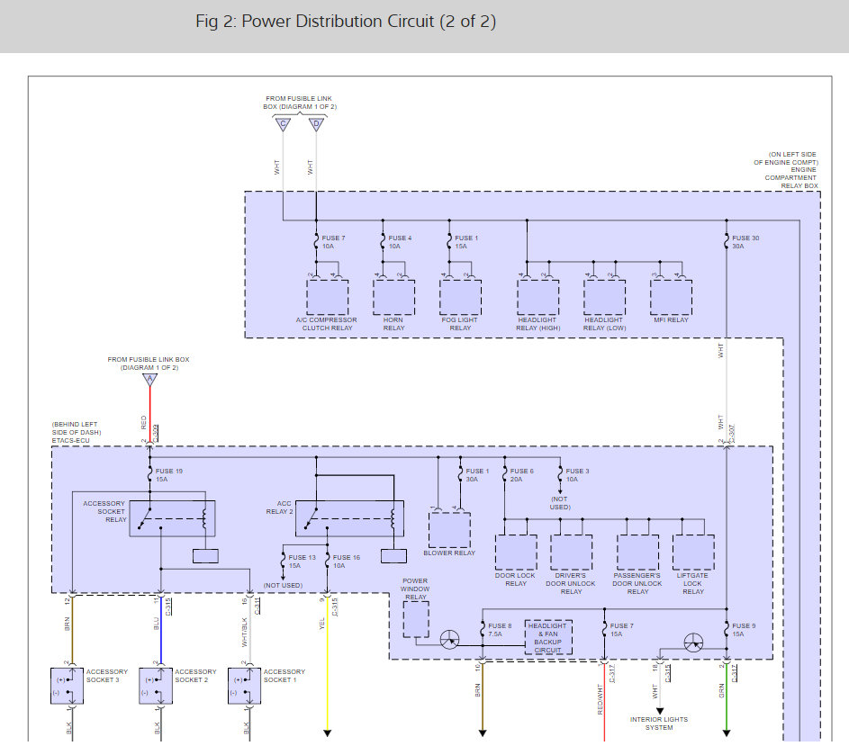
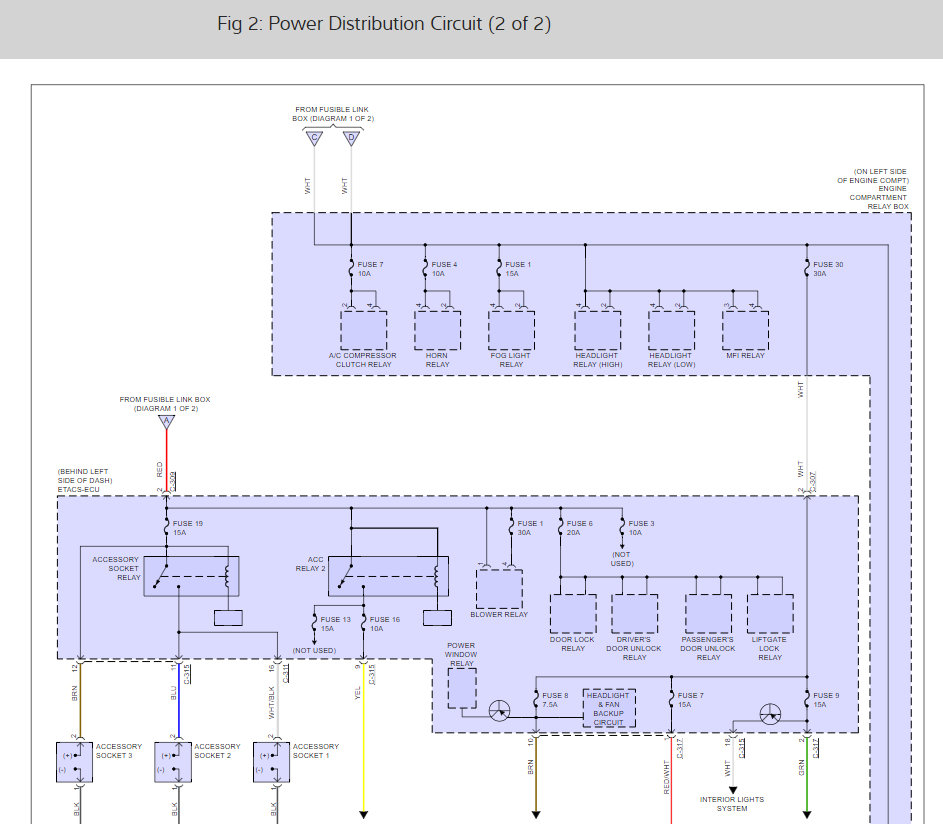
After plugging in an adapter and running a computer as well as a navigation system, the cigarette lighter ceased to work. Replaced the fuse even though it did not appear to be blown, and still not working. Any other troubleshooting tips? Or will I need to get the cigarette lighter replaced?
After plugging in an adapter and running a computer as well as a navigation system, the cigarette lighter ceased to work. Replaced the fuse even though it did not appear to be blown, and still not working. Any other troubleshooting tips? Or will I need to get the cigarette lighter replaced?
Sep 19, 2010 at 6:11 PM





















