moon roof not working properly

2013 FORD EXPLORER SPORT TRAC
130,000 MILES • TURBO
Avatar
WILL123
  • MEMBER
  • 2 POSTS
I moved my vehicle forward and when I slowed , water poured inside the vehicle.

I believe the moon roof wasn't completely closed and I believe it rained.
after opening the roof completely,
I looked at the drain on the driver side (which side the water entered the inside of the vehicle as well. ) It needs to be blown out as it looks clogged.

I tried to close the slide close and it wouldn't go closed, I opened and it opened a little and then stopped. and when i waited a while I tried again . It opened (all the way), but wont close or make any type of motor noise.


Th rear shade opens and closes.

I checked # 8 20 amp fuse under the hood (it's good).

I tried the reset method I found on the web, but nothing.
I haven't pulled the liner down yet. Looking for other tests prior.
Sep 25, 2020 at 2:19 PM
Advertisement
Avatar
JACOBANDNICKOLAS
  • CERTIFIED EXPERT
  • 110,175 POSTS
Hi,

There is a fuse on the body control module to check also. It's fuse 38 under the dash on the driver's side.

If that fuse is good as well as the one you already checked, confirm there is power to both. Here is a link you may find helpful:

https://www.2carpros.com/articles/how-to-check-a-car-fuse

Keep in mind, a fuse can look good but still be bad.

________________________

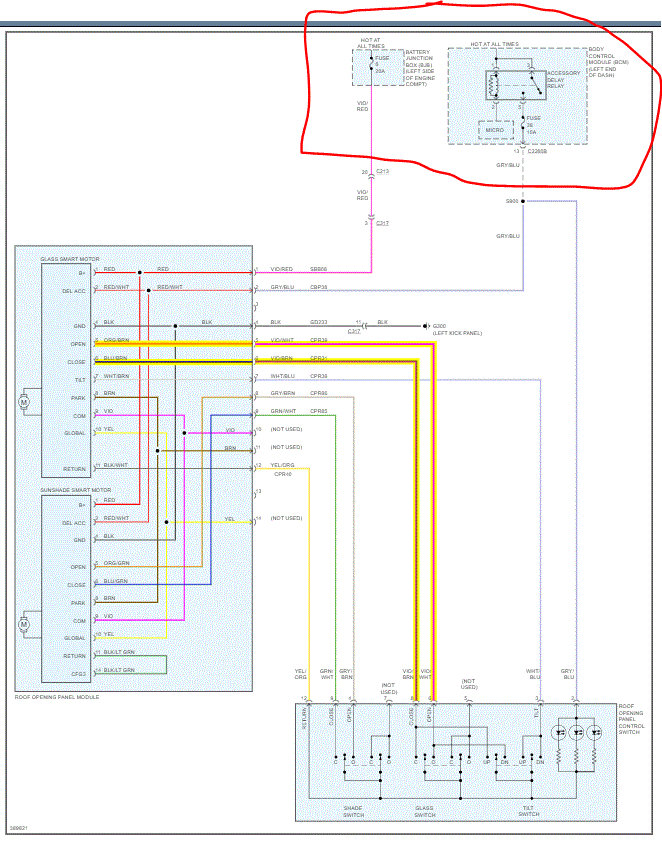
Next, I attached a wiring schematic below if the system. If the fuses are good, then you will need to check for power at the switch and the window motor. I highlighted the wires that need checked. Power will be sent to them one at a time based on if you select open or close. See pic 1.

Pic 2 shows the location of the fuse I'm suggesting be checked.

Let me know what you find. Also, let me know how much water came into the vehicle. Something may have shorted at the motor.

Take care,
Joe

Sep 25, 2020 at 8:46 PM
Avatar
WILL123
  • MEMBER
  • 2 POSTS
I removed the moon roof motor (drivers side) and pull the electronics off. The assy. was wet and i put power to the motor direct and it ran. I'm going to dry (contact cleaner spray) and reassemble and plug in and see if it dried the electronics up. I also ordered a motor assembly.

Is there a part number just for the electronics module part of the motor assy? The motor works , just need the electronics.

Fuse, 38(10A) (under the drivers side fuse box, ) operate the moonroof, auto dim rearview mirror.
The shade switch part works and in the early attempts to close the moon roof the tilt switch clicked when I pushed open and then later if stopped. I'm just going to change out the fuse.

I'll try to put together the motor with the dried electronics and plug in and try again . I know the motor works with direct 12 volt, I'm wondering if there is a electronics part to buy , rather than the whole motor assembly.
Sep 26, 2020 at 8:10 AM
Advertisement
Avatar
JACOBANDNICKOLAS
  • CERTIFIED EXPERT
  • 110,175 POSTS
Hi,

Before replacing anything, allow it time to dry. Hopefully, it will start working again. As far as the fuse you mentioned, was it blown?

As far as the the electronics, to the best of my knowledge, that isn't something that can be purchased separately.

Let me know what happens. Also, make sure to allow everything to properly dry before powering it again.

Joe
Sep 26, 2020 at 5:09 PM