motor mount replacement

1993 FORD F-150
250,000 MILES • 4.9L • 6 CYL • 4WD
Avatar
JGANAWAY
  • MEMBER
  • 42 POSTS
I'm replacing both engine mounts and I forgot to note which way they were before I took them out. I'm putting hydraulic mounts in. Which way do they go?
Aug 2, 2019 at 8:39 PM
Advertisement
Avatar
JACOBANDNICKOLAS
  • CERTIFIED EXPERT
  • 110,175 POSTS
Welcome to 2CarPros.

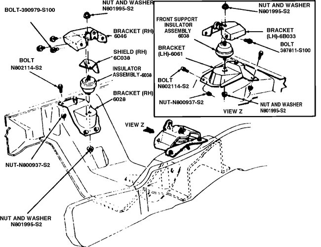
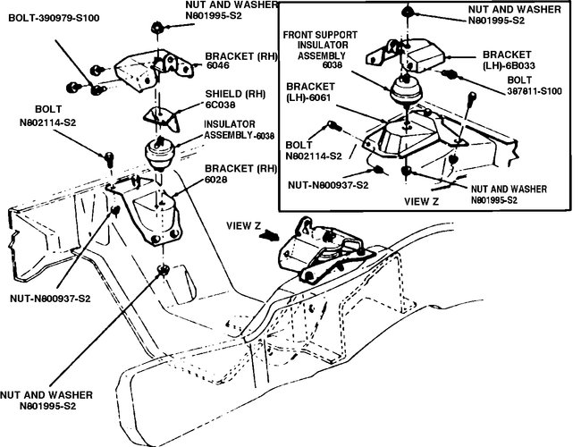
Here are the directions for replacement. The attached picture is an exploded view. You can tell which way they attach.

++++++++++++++++++++++++++++


engine mount

1993 Ford Truck F 150 4WD Pickup L6-300 4.9L
Front
Vehicle Engine, Cooling and Exhaust Engine Drive Belts, Mounts, Brackets and Accessories Engine Mount Service and Repair Procedures Removal and Installation Front
FRONT
Fig. 3 Front engine mounts

Pic 1

1. Remove insulator-to-support bracket attaching nut and washer. If only one insulator is being removed, loosen the opposite insulator at support bracket.
2. Raise engine slightly using a block of wood placed under oil pan and a suitable jack.
3. Remove insulator attaching bolts and the insulator, Fig. 3.
4. Reverse procedure to install.

Let me know if this helps or if you have other questions.

Take care,
Joe
Aug 2, 2019 at 9:50 PM