Climate control panel bypass

2003 BUICK CENTURY
127,000 MILES • 3.1L • 6 CYL • 2WD • AUTOMATIC
Avatar
RAYMOND ADKISON
  • MEMBER
  • 4 POSTS
I was wondering if I could bypass the climate control.
Jan 4, 2020 at 4:22 AM
Advertisement
Avatar
ASEMASTER6371
  • CERTIFIED EXPERT
  • 52,796 POSTS
Good morning,

What is the exact issue?

No, that is not recommended. Let us address the issue.

Roy
Jan 4, 2020 at 5:29 AM
Avatar
RAYMOND ADKISON
  • MEMBER
  • 4 POSTS
Um okay, how do we address this issue?
Jan 4, 2020 at 6:40 AM
Advertisement
Avatar
RAYMOND ADKISON
  • MEMBER
  • 4 POSTS
Well, my wife was pushing the control up because it was blowing cold air and when she did it started blowing hot air but then the lever popped out .
Jan 4, 2020 at 6:46 AM
Avatar
ASEMASTER6371
  • CERTIFIED EXPERT
  • 52,796 POSTS
Okay, I found the control on rock auto. I attached it below for you.

You will have to replace the control head. It is not that difficult to replace.

Roy

REMOVAL PROCEDURE
1. Remove the front floor console.


imageOpen In New TabZoom/Print

2. Remove the retaining screws from the HVAC control assembly.
3. Pull the HVAC control assembly out from the I/P.


imageOpen In New TabZoom/Print

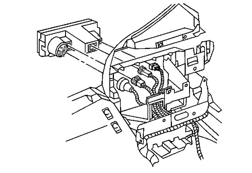
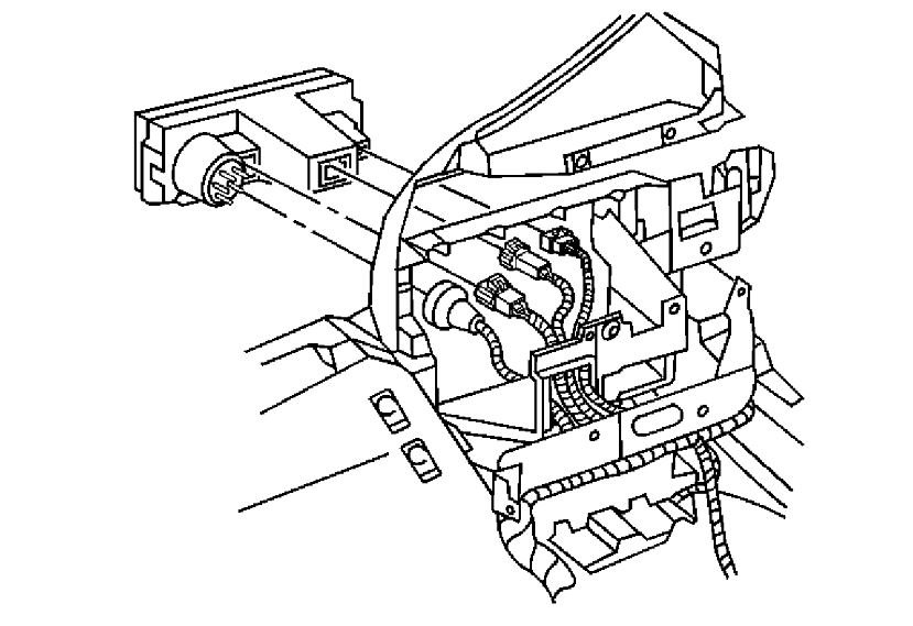
4. Disconnect the electrical connectors and the vacuum harness from the HVAC control assembly.
5. Remove the HVAC control assembly.

INSTALLATION PROCEDURE
Jan 4, 2020 at 7:12 AM
Avatar
RAYMOND ADKISON
  • MEMBER
  • 4 POSTS
The vacuum harness is on the right side of the panel correct? does that need to recharge or will it create it own vacuum again?
Jan 4, 2020 at 7:24 AM
Avatar
ASEMASTER6371
  • CERTIFIED EXPERT
  • 52,796 POSTS
The vacuum is produced by the engine. No need to do anything but plug and play.

Roy
Jan 4, 2020 at 7:50 AM