My radiator fan not working

1996 GEO METRO
146,000 MILES • 4 CYL • 2WD • AUTOMATIC
Avatar
JENNIFER DANIELS
  • MEMBER
  • 1 POST
My radiator doesn't seem to be working and occasionally the car will overheat and coolant will come out the overflow and eventually just shut off while driving it. but the temperature gauge is not showing it overheating and after it cools down the overflow will be completely full but the radiator will be empty. what does all of this mean?
Feb 2, 2021 at 8:09 AM
Advertisement
Avatar
SEVAG P
  • CERTIFIED EXPERT
  • 405 POSTS
hello,

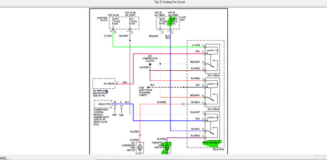
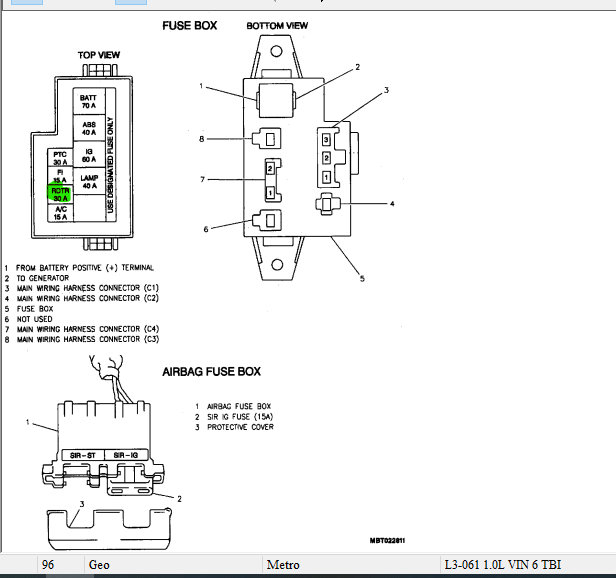
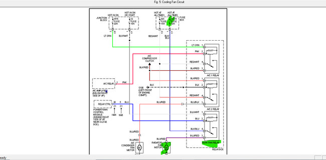
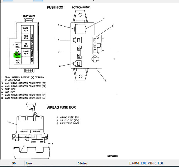
Check fig1 below is the complete wiring diagram for radiator fan circuit, as a first step,check radiator fan fuse which is 30A which is located in engine compartment left side, fig 2 for 1.0L engine, fig 3 for 1.3L engine check the diagram below.

check our link below how to check fuse.

https://www.2carpros.com/articles/how-to-check-a-car-fuse

If the fuse is in good condition remove the fan relay check location in fig4 and fig7 below.

check the relay function, remove relay check relay supply voltage, at pin 4 (30) and ground12v must be present ,if 12 volt present jump a wire between pin 4(30) and pin 3(87) fan must be activated if not fan motor defected or its connector loose. if the fan motor activates when you jump at the relay connector then you have problem in relay control circuit.

check our link below how to check relay

https://www.2carpros.com/articles/how-to-check-an-electrical-relay-and-wiring-control-circuit

Checking relay control circuit, check voltage at relay connector pin1, check fig1 below,12v must be present ignition on, if not fuse is blown which is IG fuse 15A,if 12v present and engine at operating temperature engine control unit activates the ground of the relay which is pin 2.

check our link below how radiator fan works and how to replace

https://www.2carpros.com/articles/how-an-electric-cooling-fan-works

https://www.2carpros.com/articles/replace-electric-fan-motor

Perform the test and let us know what happens with you.

thank you.


Feb 3, 2021 at 7:58 AM