need wiring for rear/cargo fuel panel?

2012 MERCEDES BENZ R350
200,000 MILES • 3.0L • 6 CYL • 4WD • AUTOMATIC
Avatar
SPEEDRACER3
  • MEMBER
  • 25 POSTS
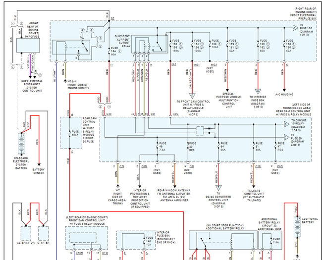
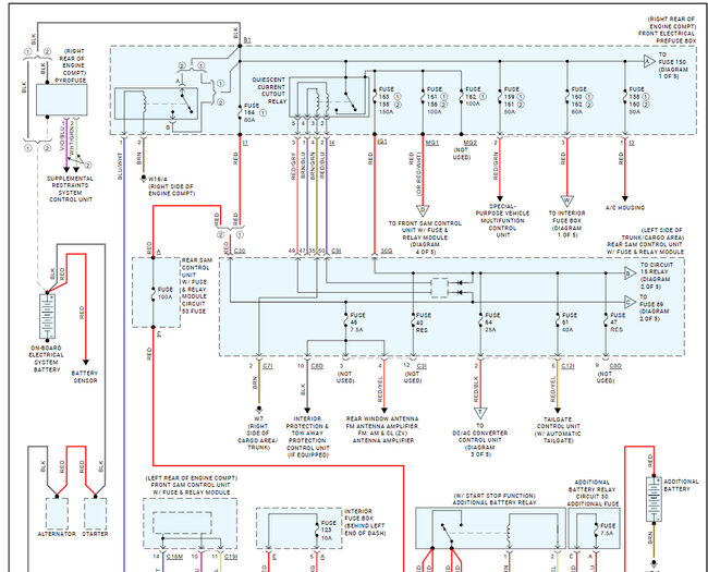
Is there any info on the rear/cargo fuse panel that explains the wiring for the P1-P6 connectors, pinout, and wire size? I need to know where a broken wire goes - only info is color, size and I know it's from P6. But I also need to trace other wires from connector P5, P4 and so on.

As well, need to wiring diagram for Adblue fill level sensor to test whether the sensor is actually the problem or if there is a wiring issue that I can trace back to the fuse panel that went swimming.
Aug 7, 2025 at 12:10 PM
Advertisement
Avatar
STRAILER
  • CERTIFIED EXPERT
  • 53,855 POSTS
So that is the rear SAM control unit. Here are the wiring diagrams which show the pin numbers and connectors. Check out the images (below). Let us know how it goes.
Aug 8, 2025 at 11:29 AM