During a trip to town, I left an accessory running by mistake and drug my battery down. When I tried to start it, the starter drug a couple revs and died. I retried starting it and I got nothing form the starter, no clicking, nothing. Dash lit up like normal, but it started throwing error messages like crazy.
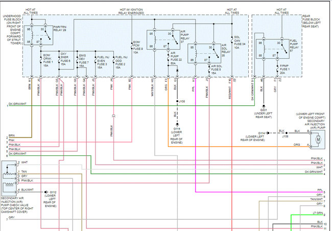
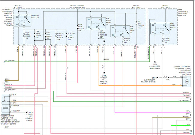
Tried to jump it off, but no change (well, the lights brightened). Replaced the battery... no change. Back home, I tried hotwiring the starter. It spun the engine fine, but it would not start. I replaced the ECM with a new one programmed to my VIN. No change, not even the security warning to relearn the key. Checked all fuses both boxes; all good. Replaced powertrain relay (desperation); no change.
Bought a scan tool to get the codes. Old ECM showed U0100, no communication with ECM so it was bad. New ECM shows P0315 (crankshaft variability) and P1682 (ignition power mismatch) engine codes only. Codes will clear, but reappear as soon as the powertrain relay energizes.
I have not been able to reteach the key because the security light does not stay lit. It works during the lamp test, but then goes off. I am still getting dash warnings about the Stabilitrac system malfunctioning and about the traction control system malfunctioning; those are new since the problem started.
Help?
Tried to jump it off, but no change (well, the lights brightened). Replaced the battery... no change. Back home, I tried hotwiring the starter. It spun the engine fine, but it would not start. I replaced the ECM with a new one programmed to my VIN. No change, not even the security warning to relearn the key. Checked all fuses both boxes; all good. Replaced powertrain relay (desperation); no change.
Bought a scan tool to get the codes. Old ECM showed U0100, no communication with ECM so it was bad. New ECM shows P0315 (crankshaft variability) and P1682 (ignition power mismatch) engine codes only. Codes will clear, but reappear as soon as the powertrain relay energizes.
I have not been able to reteach the key because the security light does not stay lit. It works during the lamp test, but then goes off. I am still getting dash warnings about the Stabilitrac system malfunctioning and about the traction control system malfunctioning; those are new since the problem started.
Help?
Mar 26, 2021 at 9:32 PM








