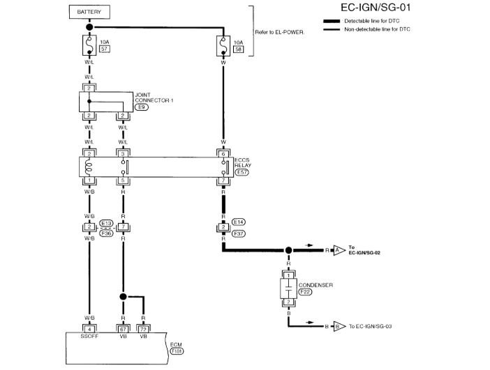
1999 Nissan Maxima 49,000 miles V-6.
occasionally the car would run really rough for 10-20 seconds but otherwise seem to run normal. I did some research and found that this year model is notorious for the coils going bad, Nissan even issued a technical bulletin about it. The bulletin is not that helpful inspect harness/replace all coils. Well I replaced all 6 coils and spark plugs, the car runs better it doesn't run rough but the check engine light continues to come on with the same code. I also inspected the harness per tech bulletin and could not find a broken wire, from what I can tell there is only 7 wires to inspect, one for ECM ground and six others, one for each cylinder but if a wire was broken wouldn't I get a more specific code such as misfire cylinder #4 etc.
I'm at the end of my rope on this one and need someone that's been down this road to help me out.
I don't want to keep throwing parts at it and i'm afraid if I take it to a shop that's all they'll do too running up a huge repair bill. I've already spent close to $500.00.
occasionally the car would run really rough for 10-20 seconds but otherwise seem to run normal. I did some research and found that this year model is notorious for the coils going bad, Nissan even issued a technical bulletin about it. The bulletin is not that helpful inspect harness/replace all coils. Well I replaced all 6 coils and spark plugs, the car runs better it doesn't run rough but the check engine light continues to come on with the same code. I also inspected the harness per tech bulletin and could not find a broken wire, from what I can tell there is only 7 wires to inspect, one for ECM ground and six others, one for each cylinder but if a wire was broken wouldn't I get a more specific code such as misfire cylinder #4 etc.
I'm at the end of my rope on this one and need someone that's been down this road to help me out.
I don't want to keep throwing parts at it and i'm afraid if I take it to a shop that's all they'll do too running up a huge repair bill. I've already spent close to $500.00.
Jul 19, 2007 at 6:58 PM




