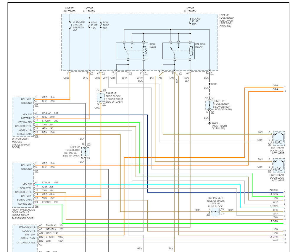
Hello guys, the problem I'm having is with my interior accessories are not functioning. My power seats, power door locks, windows (I can let the driver window down only), heated seats, horn, factory alarm and my reverse sensors are not functioning. Knowing that they're all controlled by BCM I cloned 2 BCMs and installed them with GM relearn and still the same issues. I know it has to be something they all have in common. I've checked the lbec and tbc fuses and they're fine. The truck runs great. No issues starting but I do have a parasitic drain that I haven't pinpointed yet. I have battery disconnect on negative terminal for now. I also changed door switches and checked the power seat wiring to no avail. Any kind of help would be greatly appreciated. Thanks!
May 2, 2023 at 11:54 PM



