Hi,
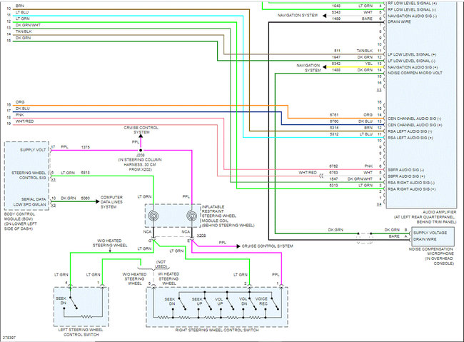
The audio for the signals, seat belts, and the DVD are produced by the audio amp/radio. Actually, the radio generates the audible warning through the left speaker. So, that is where we need to start.
There are two fuses I need you to check. The first is under the hood in the fuse box. It is the radio fuse. See pic 1 for fuse location.
The second fuse is the amplifier fuse. It is located in the left rear fuse box. Pic 2 shows its location.
In addition to checking the fuses, confirm there is power to and from them.
Here is a link you may find helpful:
https://www.2carpros.com/articles/how-to-check-a-car-fuse
As far as the left rear fuse box, is located under the rear seat on the left side of the vehicle. The carpet must be lifted up to access the rear fuse block.
Let me know what you find or if you have other questions.
Take care,
Joe
See pics below.
Images (Click to enlarge)
May 7, 2021 at 7:34 PM