No click no start

2012 RAM 1500
175,000 MILES • 4.7L • V8 • 4WD
Avatar
CHARLES MASON2
  • MEMBER
  • 7 POSTS
Yes, there's 12.7 volts to the trigger.
Feb 4, 2020 at 9:19 AM
Advertisement
Avatar
KASEKENNY
  • CERTIFIED EXPERT
  • 18,907 POSTS
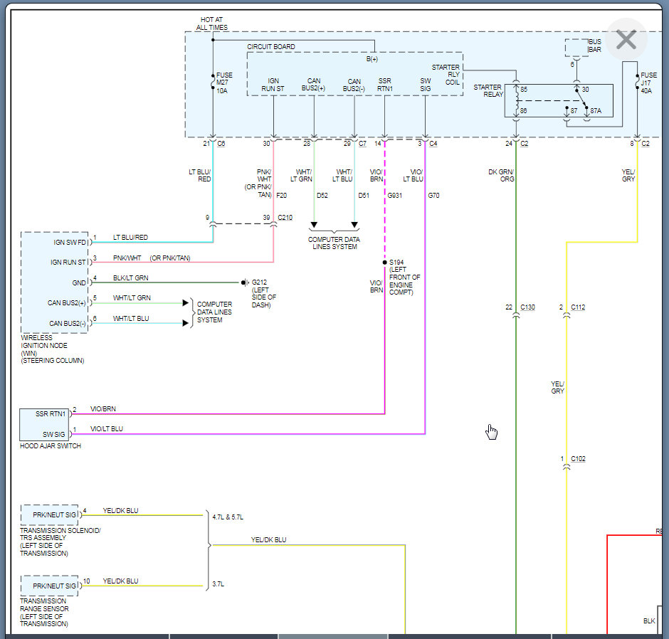
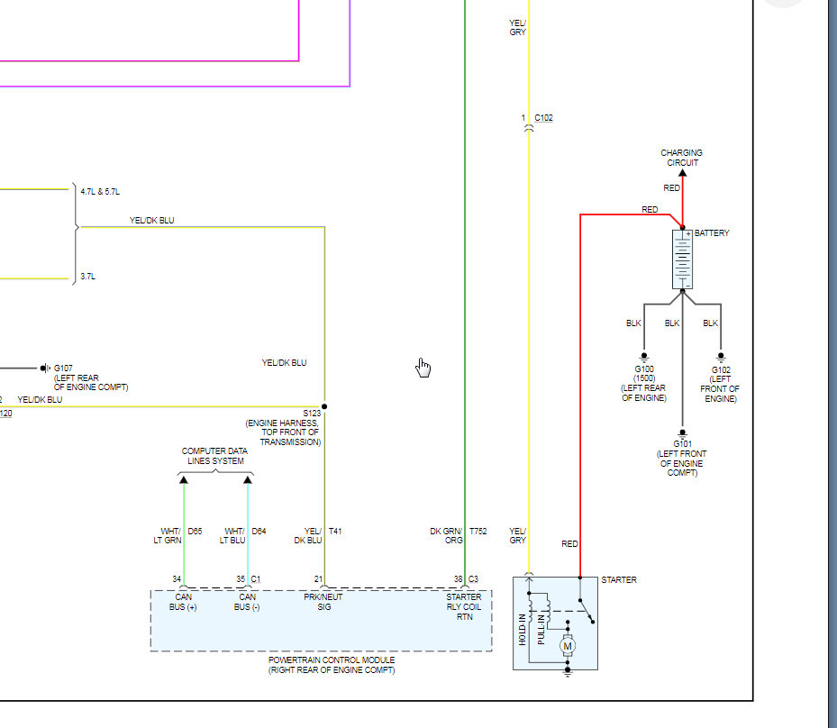
If the engine does not turn over then we need to check a couple things. When you say you have 12 volts at the trigger are you talking about the power wire at the starter? If so, we need to find out what the voltage is on the yellow and gray wire at the starter. If you have 12 volts on this wire then the starter should turn.

If not then we could have a fuse, relay, TIPM, range sensor, PCM, Wireless ignition node, or wiring issue. Clearly this is quite a bit of options.

It would be best to check for codes and go from there. Also, is the theft light on in the dash?
Feb 4, 2020 at 2:41 PM
Avatar
CHARLES MASON2
  • MEMBER
  • 7 POSTS
There's 12 volts from the battery to the starter and 12 volts at the trigger connection at the starter when key is turned to start/run.
Feb 4, 2020 at 3:19 PM
Advertisement
Avatar
CHARLES MASON2
  • MEMBER
  • 7 POSTS
The obd2 isn't showing any codes.
Feb 4, 2020 at 3:21 PM
Avatar
KASEKENNY
  • CERTIFIED EXPERT
  • 18,907 POSTS
If you have 12 volts on the B+ then 12 on the control wire and no codes, I would think the starter is the issue. Have you replaced the starter?

If not I included the process just in case you need it. Based on this info, I would think that is the issue. If you tell me you already replaced it and this is the same issue, then we are missing something because that wouldn't make any sense.
Feb 4, 2020 at 3:30 PM
Avatar
CHARLES MASON2
  • MEMBER
  • 7 POSTS
I put a new starter on. I also bench tested it. I agree, it makes no sense.
Feb 4, 2020 at 5:58 PM
Avatar
CHARLES MASON2
  • MEMBER
  • 7 POSTS
The theft light isn't on. I thought that was the problem but I really don't know how to reset it. Just in case it was tripped.
Feb 4, 2020 at 6:03 PM
Avatar
TOUGHDIVER
  • CERTIFIED EXPERT
  • 224 POSTS
Hi,

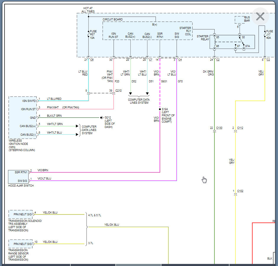
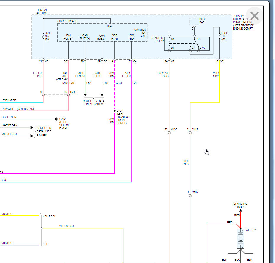
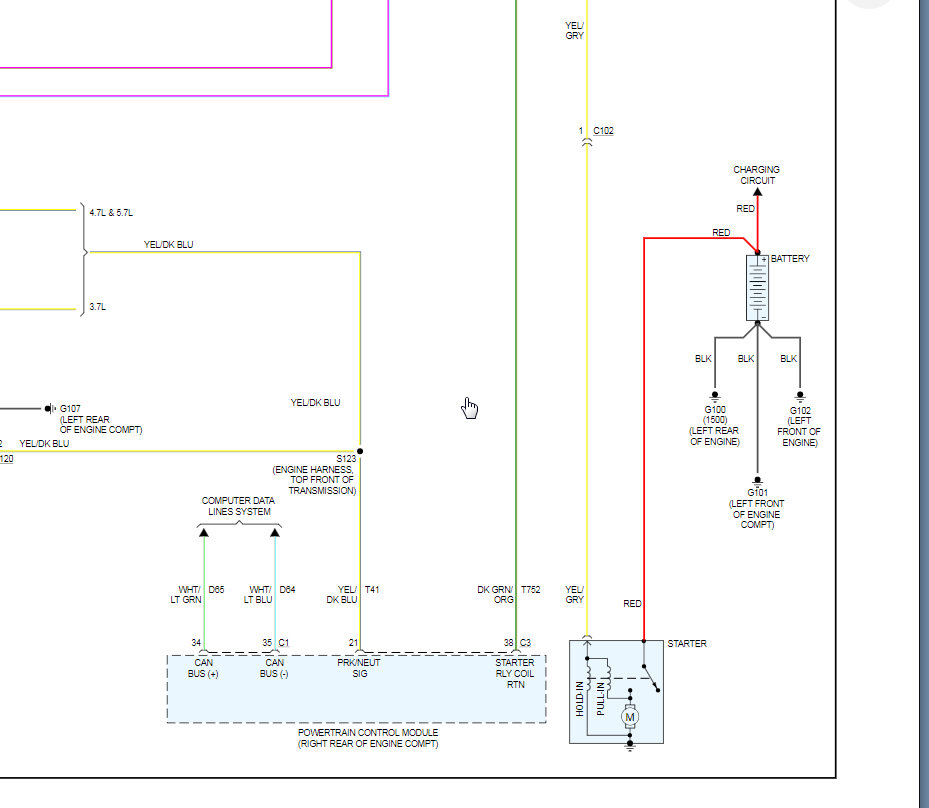
Need to load test the battery and check voltage drop at the power and ground circuit to the starter motor. There should be 12 volts across the power and ground wires at the starter motor. Check the engine ground straps and make sure they are clean and tight. Check Integrated Power Module grounds .The starter will run it there is 12v with no voltage drop. I'm attaching repair guide and wiring diagram below. Let us know if you need more information.

https://www.2carpros.com/articles/car-battery-load-test

https://www.2carpros.com/articles/how-to-use-a-test-light-circuit-tester

Thank you
Joe T.
Feb 5, 2020 at 11:58 AM
Avatar
CHARLES MASON2
  • MEMBER
  • 7 POSTS
Could the problem be in the ignition switch? When I turn the key fob to the start position the dash lights and the radio goes off then when I release the key fob it takes about 10 to 15 seconds before the dash lights and radio to come back on. The key fob also seems awfully loose in the ignition.
Feb 7, 2020 at 9:26 AM
Avatar
TOUGHDIVER
  • CERTIFIED EXPERT
  • 224 POSTS
Hello,

When you turn the key to start the vehicle if the lights go out. That's sign of a dead battery or loose connection. Load test the battery and check the connections at the battery and engine, Check the engine ground cable and straps. If you already did this recheck it please there is a voltage drop from the battery. I'm attaching repair guides and YouTube video below on voltage drop when starting the engine please read and watch them. Let us know if you found the voltage drop.

https://youtu.be/qP5r6NB0ypo

https://www.2carpros.com/articles/everything-goes-dead-when-engine-is-cranked

https://www.2carpros.com/articles/car-battery-load-test

Thank you
Joe T.
Feb 7, 2020 at 11:52 AM