mistakenly hooked up the battery cables incorrectly

1999 DODGE DURANGO
195,000 MILES • 5.9L • V8 • 4WD • AUTOMATIC
Avatar
VOCALME
  • MEMBER
  • 2 POSTS
I messed up. After using my battery to start another car, I hooked negative side of battery first then when I hooked up the positive side there was a spark. Then I had nothing but headlights and windows worked in reverse. All fuses good. So I bought brand new ECM from dealer. Hooked it up per directions step by step and nothing. Also noticed a tiny bit of smoke coming from new ECM. Please help. Car on side of road! Thanks for listening.
Jan 26, 2017 at 1:57 PM
Advertisement
Avatar
STEVE W.
  • CERTIFIED EXPERT
  • 15,116 POSTS
Not good. First I would go over all the fuses. Check for burnt fusible links. Next pull the alternator and have it tested. Then you are probably looking at replacing the body control module, the ECM again and maybe more. Modern vehicles are not forgiving of reverse polarity.

The biggest thing is that it does different things to every vehicle. For instance your truck has damaged XXXX and YYYY this time. Repair those items, do the same thing again and it might fry AAAA and GGGG instead.

So it is impossible to say, Just replace fuses 5, 7 and 9. Replace alternator diodes and the ECM and it will be repaired.

Wish I could be more help but in this case you really have to track and test just about every electrical component and sensor that could have been effected. Even things like the radio and dash can be damaged.
Jan 26, 2017 at 2:17 PM
Avatar
VOCALME
  • MEMBER
  • 2 POSTS
So if I replaced all that you stated most likely it would come back to life? Oh and thank you for such speedy response.
Jan 26, 2017 at 2:23 PM
Advertisement
Avatar
STEVE W.
  • CERTIFIED EXPERT
  • 15,116 POSTS
I do not know,
Like I said it is a real PIA when it comes to reverse polarity. You have to basically start at the battery and check everything that is connected to it. Some items will be fine. Like the window motors, lighting equipment, and things that were not powered up when you connected the battery. But all the rest are suspect until proven good.
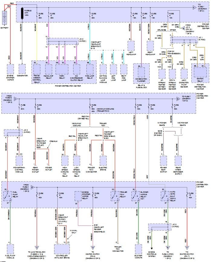
If you look at the images you can see a few of the potential problem areas. Now some of those will not be effected because they are open ended (like the power outlets), are relay controlled and the relays are commanded on (like the heater blower motor or fuel pump) or are simply not polarity sensitive (bulbs, hazard lights, headlights).

But you have the ABS control module, power-train, control module, alternator, transmission control module as just a few items that could be damaged.
There also could be some parts that you would not think could be a problem but could fail, like a relay that has a diode inside it which blew.

Your best bet is to get a good manual that has the full schematics and start tracing them out and testing the parts. The diagram below is just one page of about fifty that covers the wiring. Plus the manual will tell you how to test some of the other items. There are a few companies that have online accounts for this. I cannot tell you what to buy, but I find Mitchell's wiring and instructions to be the easier to follow. Alldata is a close second. The images below show Mitchell on the left, Alldata on the right for the same circuits.

https://www.2carpros.com/articles/car-repair-manual
Jan 26, 2017 at 3:34 PM