No communication ECM to OBD 2?

2005 CADILLAC STS
110,000 MILES • 3.6L • 6 CYL • 2WD • AUTOMATIC
Avatar
KYLE2316
  • MEMBER
  • 1 POST
I have no lights on the instrument panel. And I have power to the obd2 but no communication. The car will only start of you jump the wires for the starter relay.
Feb 5, 2023 at 1:38 AM
Advertisement
Avatar
AL514
  • CERTIFIED EXPERT
  • 5,465 POSTS
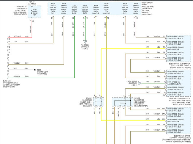
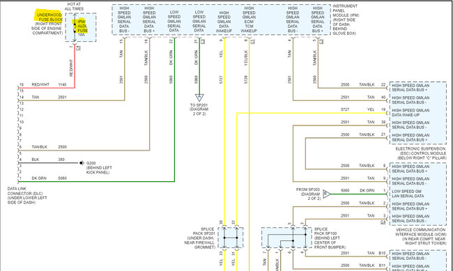
Hello, the no communications issue and the instrument cluster are linked together. The Instrument Cluster is the Gateway module for the data networks in the vehicle. You can see in the diagram below, the Data Link connector on the left, it runs to the instrument cluster and then out to the different modules in the vehicle. So, we need to figure out why the Instrument Cluster is not functioning. There are some fuses for the Cluster you can check to begin with. Do you have a scan tool that can scan the entire vehicle, or just a basic obd2 scan tool that only does the engine computer?
The 2nd diagram has the fuses for the Cluster. Check these first to see if any have burned out. This Instrument Panel module is not the dashboard gauges, it controls those gauges, but the Instrument Panel Module is actually behind the glove box. It controls the Heads up display as well as the Instrument Cluster (with the gauges) through the gm Lan data network.

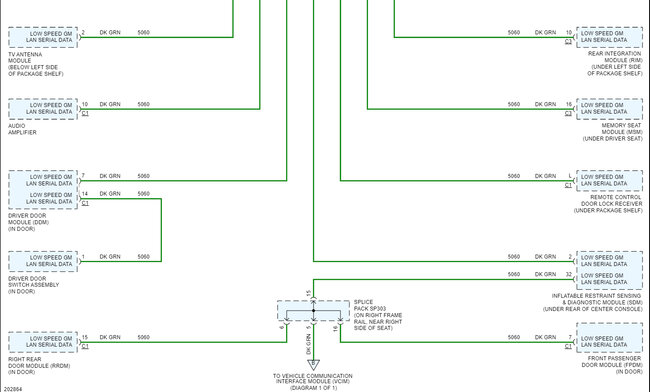
What can be happening here since GM uses a splice pack for most of the low-speed network, there can be another module that has failed or is shorted out and is pulling the entire network down. With these if the fuses are good, we will usually go to the splice packs and unplug each module one by one until the network returns to normal. If it is a wiring problem where the network wire has shorted to ground or shorted to power, the wire can be isolated in the same manner. This vehicle has a lot of modules though, and 2 main splice packs.
Diagrams 3 and 4 go together and 5 and 6 go together, and you can see that's the entire data network for the vehicle. The 2 splice packs being on diagram 5.

https://www.2carpros.com/articles/how-to-check-a-car-fuse

https://www.2carpros.com/articles/how-to-use-a-voltmeter

https://www.2carpros.com/articles/how-to-use-a-test-light-circuit-tester
Feb 5, 2023 at 11:46 AM