No courtesy lights, where is the open ground located?

2004 PONTIAC MONTANA
225,000 MILES • 6 CYL • 2WD • AUTOMATIC
Avatar
DADELEON
  • MEMBER
  • 2 POSTS
Have checked and tested the fuse and found it to be good. After checking on how to fix my issue, I have read my issue could be no ground, but don’t know where to look for open ground. Can you assist please, don’t know where else to turn.
Feb 6, 2024 at 1:51 PM
Advertisement
Avatar
STEVE W.
  • CERTIFIED EXPERT
  • 15,113 POSTS
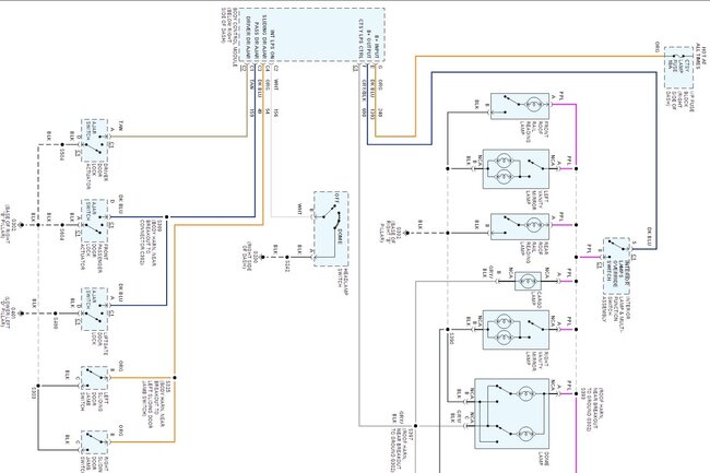
Okay, a couple questions and tests. There are two ways the lights can be turned on. One is using the switches on the lights; I assume they don't turn on using those. The other turns on the dome light, the rear cargo light and the front courtesy lights. Those should come on when the doors are opened or if you turn the headlight switch to the dome position. Those don't work either. If none of those options work, it isn't a bad ground as those use individual grounds to tell the body module to turn on the lights.
The only item that all of the lights share is a power feed. That comes from the CTSY fuse in the fuse box on the right side of the dash. It then goes to the body module and then out to the lights through the interior light override switch that is part of the head lamp switch. That style switch is known for failures so it's possible that is where you will find the problem.
The first thing I would do to see if it's power or ground that is missing would be to take a simple light test and test that there is power at that fuse.

https://www.2carpros.com/articles/how-to-check-a-car-fuse

If you have power at the fuse the next step would be to see if there is power at the lights. The easiest way for that is to connect the test light to a good ground, then pop the cover off the dome light, remove the bulb and check if you have power to one terminal. If you don't then we need to trace the wire back to the override and see if the switch is bad for that you remove the dash trim and pull the light switch out of the dash. Then locate the feed wire to the switch on pin 5 it will be dark blue. Then look at the purple wire at pin 8 it feeds the lights. If the test light shows power on the dark blue wire but no lights, the switch is the likely failure point. Replace it and your lights should return. A quick test of the lights and ground could also be done at that connector as well. If you have power at the blue pin, you could take a short jumper wire and jump the power to the purple pin in the connector. Turn on a light or two and if they light you know the rest of the system is okay but the switch is bad.
Try those out and see if you find it, if not then we will need to look at the body control module.
Feb 6, 2024 at 9:07 PM
Avatar
DADELEON
  • MEMBER
  • 2 POSTS
Hello Steve, appreciate your detailed answer, I’m really embarrassed to tell you that there is an Interior Lamp Override switch that is located on the overhead console switch bank, and it was toggled off. Again thank you, hope this may help out in the future, Dan
Feb 7, 2024 at 5:24 PM
Advertisement
Avatar
STEVE W.
  • CERTIFIED EXPERT
  • 15,113 POSTS
That would do it. Great that you found it.
Feb 7, 2024 at 6:17 PM