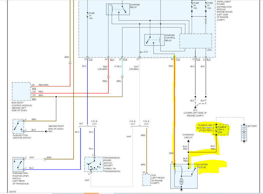
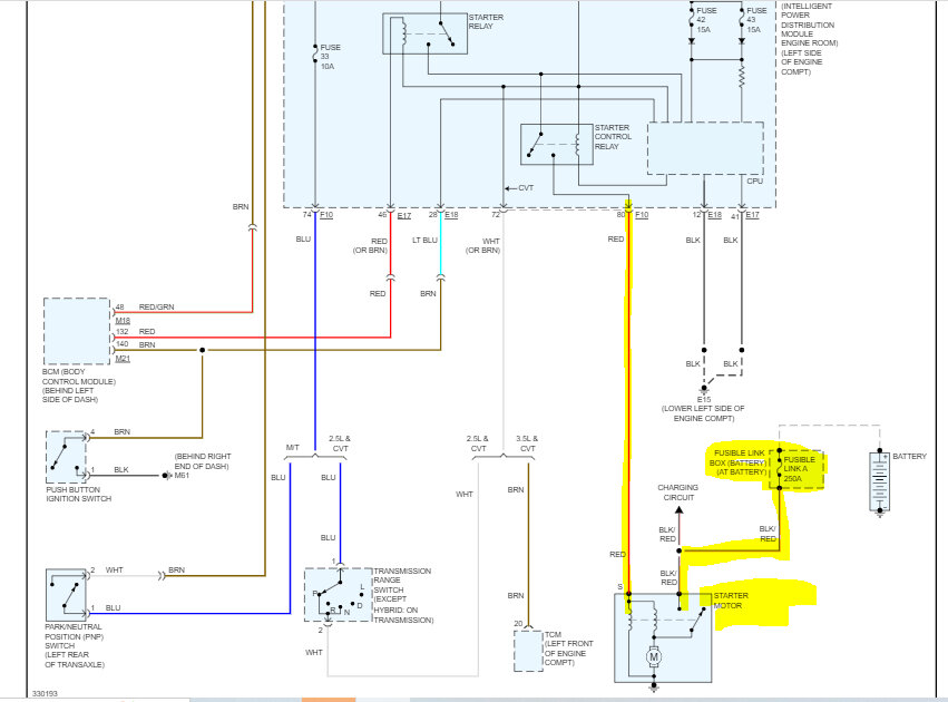
It’s my 3rd time changing them on this car. I disconnected the wires from the boots and replaced all 4 plugs. I used die electric on the boots and tightened everything up. When I got back in the car it wouldn’t start or even crank. You can hear the starter, but nothing cranks. The fan also turns on in front of the motor which usually doesn’t happen. What could cause this?
Jan 24, 2023 at 4:20 PM

