No crank/sometimes will start if battery has been disconnected

2008 PONTIAC G5
120,000 MILES • 2.2L • 4 CYL • 2WD • AUTOMATIC
Avatar
TYLER NEWLAND
  • MEMBER
  • 2 POSTS
Sometimes my car will start if you disconnect the battery for a period of time and other times it wont even crank over.
Jan 22, 2020 at 11:48 AM
Advertisement
Avatar
JACOBANDNICKOLAS
  • CERTIFIED EXPERT
  • 110,175 POSTS
Hi,

When you say it won't do anything, do you mean the starter doesn't engage but will after you disconnect and reconnect the battery? If so, are the terminals clean and tight and in good condition? That is what it sounds related to.

https://www.2carpros.com/articles/everything-goes-dead-when-engine-is-cranked

Let me know if that seems like a possibility on your vehicle. If not or if I misunderstood what's happening, let me know.

Joe
Jan 22, 2020 at 6:25 PM
Avatar
TYLER NEWLAND
  • MEMBER
  • 2 POSTS
Yes, the starter does not engage, it's like there is no power getting to the starter. However, sometimes if i disconnect the battery for like 30 minutes it will start up after and maybe a couple times more before it stops starting again. The terminals seem fine, i am wondering if its a bad ground somewhere.
Jan 22, 2020 at 10:12 PM
Advertisement
Avatar
JACOBANDNICKOLAS
  • CERTIFIED EXPERT
  • 110,175 POSTS
Hi,

It could be a bad ground. The main ground will run between the battery and the engine block. Check that. I have to be honest. Since it works when you disconnect and reconnect, it sounds like the problem is there.

When this happens again, see if it starts in neutral. The could be an issue with the neutral safety switch.

Also, I want you to check the crank relay. It is in the under hood power distribution box. I attached a pic below of it. The purple wire coming from it goes to the starter (S terminal) which is what engaged the starter. If there is another relay with the same part number, switch them and see if it changes anything. If there isn't here is a link explaining how to check it:

https://www.2carpros.com/articles/how-to-check-an-electrical-relay-and-wiring-control-circuit

Here are a couple other links you may find helpful:

https://www.2carpros.com/articles/how-to-use-a-test-light-circuit-tester

https://www.2carpros.com/articles/how-to-use-a-voltmeter

https://www.2carpros.com/articles/how-to-check-wiring

___________________

Now, if everything checks good, we need to check the starter itself. At the starter, there will be a larger wire direct from the positive side of the battery and the smaller purple one I mentioned above. There should always be 12v to the larger one, so be careful not to short it when doing this test. Make sure it isn't loose, damaged, or corroded. Now the purple wire should only have power when the key is in the start position, so you will need a helper to check. If you find there is power to the purple wire but the starter doesn't engage, replace the starter. If you look at pic 2, the wire where I placed a + is the bigger one from the starter. The purple one is to have 12v only when the key is in the start position.

Here is a link that explains how to test the starter:

https://www.2carpros.com/articles/starter-not-working-repair

_____________________________

If you find the starter is bad, here are the directions for replacement. Please make sure the battery is disconnected before working on the starter. The remaining pics correlate with these directions.

_____________________________

2008 Pontiac G5 L4-2.2L
Starter Motor Replacement (RPOs L61/LE5)
Vehicle Starting and Charging Starting System Starter Motor Service and Repair Removal and Replacement Starter Motor Replacement (RPOs L61/LE5)
STARTER MOTOR REPLACEMENT (RPOS L61/LE5)
Starter Motor Replacement (RPOs L61/LE5)

Removal Procedure


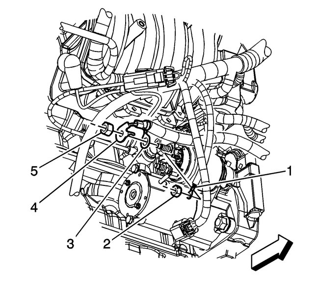
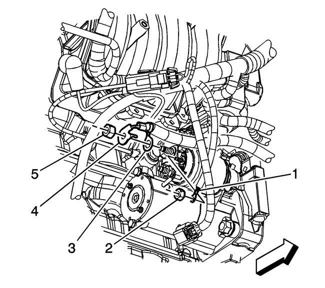
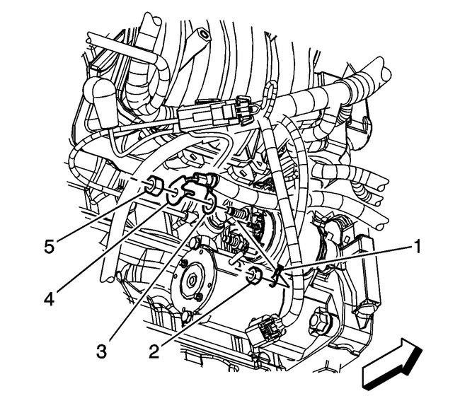
pic 1

1. Disconnect the negative battery cable.
2. Raise and support the vehicle. Refer to Vehicle Lifting.
3. Remove the starter solenoid terminal nut (5).
4. Remove the positive battery cable terminal (4) from the starter.
5. Remove the starter solenoid wire terminal (3) from the starter.
6. Remove the starter solenoid "S" terminal nut (2).
7. Remove the engine harness terminal (1) from the starter.


pic 2

8. Remove the starter bolts.
9. Remove the starter.

Installation Procedure


pic 3

1. Position the starter to the engine.

Notice: Refer to Fastener Notice.

2. Install the starter bolts.

Tighten the bolts to 40 N.m (30 lb ft).


pic 4

3. Install the engine harness terminal (1) to the starter.
4. Install the starter solenoid "S" terminal nut (2).

Tighten the nut to 3 N.m (27 lb in).

5. Install the starter solenoid wire terminal (3) to the starter.
6. Install the positive battery cable terminal (4) to the starter. Ensure that the anti-rotational tab is correctly located into the indexing slot.
7. Install the starter solenoid terminal nut (5).

Tighten the nut to 17 N.m (13 lb ft).

8. Lower the vehicle.
9. Connect the negative battery cable.

_____________________________

Let me know if this helps or what you find. Also, please feel free to let me know if you have questions.

Take care,
Joe

Jan 23, 2020 at 6:52 PM