No electrical power

1994 FORD RANGER
160,000 MILES • 2.3L • 4 CYL • 2WD • MANUAL
Avatar
MICHAEL MALONEY
  • MEMBER
  • 6 POSTS
Hello,

I replaced the manual transmission in my truck. After putting in the replacement, I started it up and it started just fine. I then replaced the clutch master cylinder because I saw that it was leaking. After I did that, I tried to start it up and it would turn over, but would not start. I sprayed some starter fluid into the intake, and it still didn’t start. I started to clean some grounds, including the ground attached to the engine block, and tried starting again. Absolutely nothing happened, the engine didn’t turn over, no power to the dash, no headlights and no power anywhere that I could find. It will turn over if I connect the poles on the starter relay. I don’t believe there is power getting to the interior fuse box. I have replaced the ignition switch as well. I had also replaced the brake light switch at the pedal when I was waiting for the new clutch master cylinder to come in and the brake lights worked (they hadn’t previously). I don’t think this switch is involved, but since it was done at the same time, let you know. I have also cleaned the battery posts and the connectors and the battery is reading 12.6 volts.
Mar 20, 2021 at 8:44 AM
Advertisement
Avatar
KASEKENNY
  • CERTIFIED EXPERT
  • 18,907 POSTS
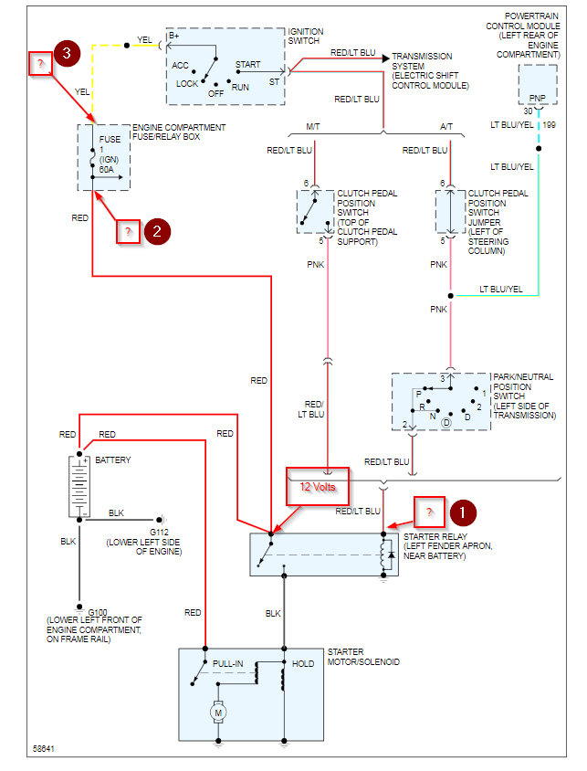
The only way to figure this out is to find power in the system and track it through the system until we find were we do not have it.

If you can jump the starter relay then that means you have power from the battery to the switch side of the relay. However, do you have power on the other terminal coming from the clutch position switch? I assume you do not have 12 volts.

Which means we need to more to the ignition fuse and check on both sides. If you have voltage on both sides of the fuse then keep moving through the system until you find the component that has voltage coming in but not out.

https://www.2carpros.com/articles/how-to-check-wiring

Let me know if you have questions on this. See the diagram below. Thanks
Mar 21, 2021 at 8:33 AM
Avatar
MICHAEL MALONEY
  • MEMBER
  • 6 POSTS
Thanks for the reply. There is no power to the ignition fuse in the engine compartment. I had a good ground when I did it because when I touched the red probe to the positive battery post it read”12.5 v”. Does this mean that the red wire in the above diagram is bad or not making a connection at one of the ends? FYI: I am pretty ignorant with electricity if you haven’t already caught on.
Mar 21, 2021 at 4:21 PM
Advertisement
Avatar
MICHAEL MALONEY
  • MEMBER
  • 6 POSTS
I now have power to the dash and the ignition fuse - both sides. The engine again turns over, but won’t start. I had attached the wires back onto the starter relay incorrectly after taking them off and cleaning them.

I hear a click when I turn the key on (fuel pump?). Do I check for spark now and if so, what is the best way to do that?
Mar 22, 2021 at 5:56 PM
Avatar
KASEKENNY
  • CERTIFIED EXPERT
  • 18,907 POSTS
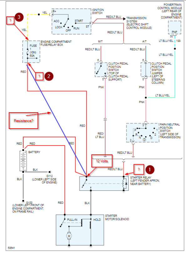
Okay. If you have no power on either side of the ignition fuse then you have a wiring issue from the battery to the starter relay or the starter relay to the fuse. However, I think you said you have 12 volts at the starter relay? If so then the issue is on the wire from the relay to the fuse shown in this diagram.

I would remove the relay, test resistance from the relay terminal to the fuse terminal and see what it is. The blue line on the diagram. Let me know if you have questions about this but it should be no more then 1 ohm.
Mar 23, 2021 at 5:27 PM
Avatar
MICHAEL MALONEY
  • MEMBER
  • 6 POSTS
Hi, I think you missed my second response. I did figure out how to check for spark. When I was doing that, it started up. Thanks for the help.
Mar 24, 2021 at 6:01 AM
Avatar
KASEKENNY
  • CERTIFIED EXPERT
  • 18,907 POSTS
I am sorry. I didn't see that. So it is fixed or at least working at this point? Any idea what the actual issue was? Thanks
Mar 24, 2021 at 6:44 PM
Avatar
MICHAEL MALONEY
  • MEMBER
  • 6 POSTS
I don’t know. I am thinking there still may be a loose wire, because it only cranked the night before when I discovered the incorrect wiring of the starter relay. The next day, while I had the spark plug out checking for spark, it started right up.
Mar 24, 2021 at 7:45 PM
Avatar
KASEKENNY
  • CERTIFIED EXPERT
  • 18,907 POSTS
Okay. Well, unfortunately we won't find it while it is working. So just let us know if it starts acting up again. Thanks for the update.
Mar 26, 2021 at 7:41 AM
Avatar
MICHAEL MALONEY
  • MEMBER
  • 6 POSTS
Thanks for helping out.
Mar 26, 2021 at 10:03 AM