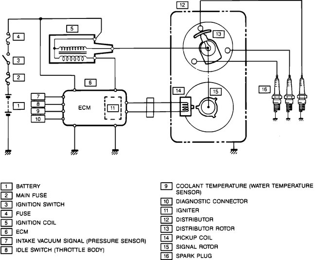
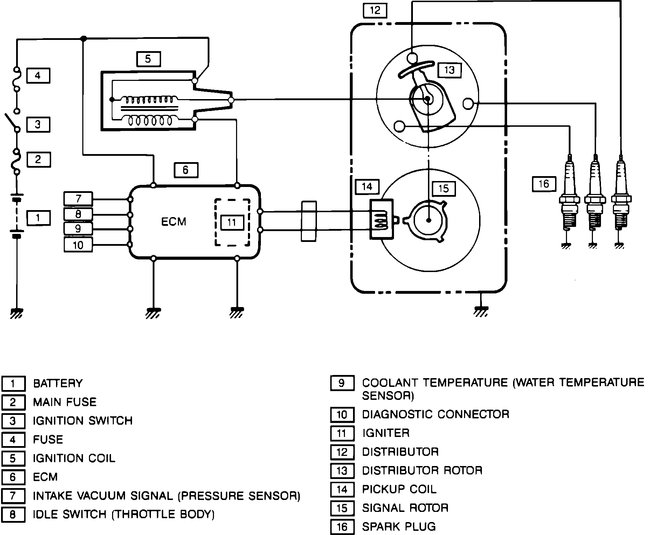
Way home check engine come on. In apts, so went home and parked. Called a mechanic over. Went through distributor, coil, plugs, wires, rotor, ignition wire. Put a timing chain in. Has not started since. Turns over strong, just will not catch. Took screwdriver and did spark test. No fire. No cam or crank sensor correct?
Aug 28, 2019 at 3:03 PM


