No headlights and dash warning lights, radio and interior lights do not work

2001 CHEVROLET S-10
204,000 MILES • 2.2L • 4 CYL • 2WD • AUTOMATIC
Avatar
PHOTOARTIST
  • MEMBER
  • 1 POST
I don't have headlights at any time and when I pull the high beam lever the headlights come on and if I hold it on my warning lights, radio and interior lights will come on. I have checked all fuses, replaced the headlight switch and multi-function switch but no luck.
Apr 23, 2020 at 2:30 PM
Advertisement
Avatar
JACOBANDNICKOLAS
  • CERTIFIED EXPERT
  • 110,175 POSTS
Hi,

Which warning lights come on? Also, the heading indicates no radio, headlamps, interior lights... In the post they turn on when you hold the flash to pass switch for high beam. Is that correct?

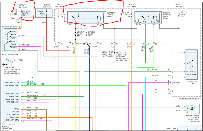
If that is, I suspect either a ground issue or the body control module is failing. I attached three pics below. The first shows fuses I need you to check. The second shows a TBC (truck body computer). Check that fuse. The third fuse shows the grounding relay. Note the grounding relay has a splice in it. I circled it as well as the grounding location. Check both

The reason I'm questioning a ground or BCM (body control module AKA truck body control) is simply because the radio and warning lights shouldn't be associated with the headlights. So, in theory, the body control module is bad or we have a short within the ground allowing power to flow where it shouldn't.

Let me know what you find.

Joe
Apr 23, 2020 at 5:06 PM