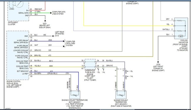
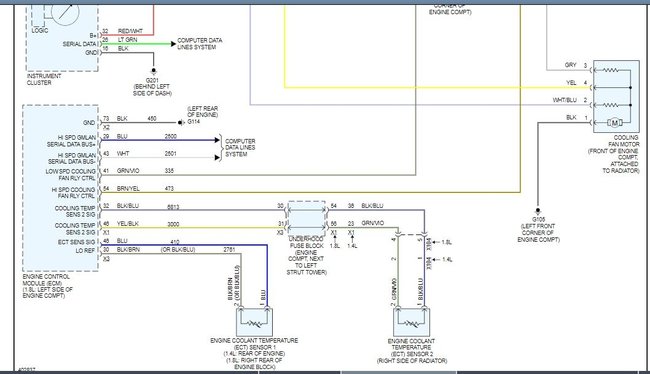
I have changed thermostat, the housing, the radiator, the water pump, and the sensors. I am not getting no heat from the vents. only when I rev the engine up to 2,500 rpm's if I let it idle it's only cold air and then the gauge starts to show car is running ho. then it tells me A/C off due to high temperature, but if I rev it up again gauge goes down and heat comes out. Has any one came across this problem if so what fixed it? Thank you in advance.
Jan 24, 2020 at 9:04 AM










