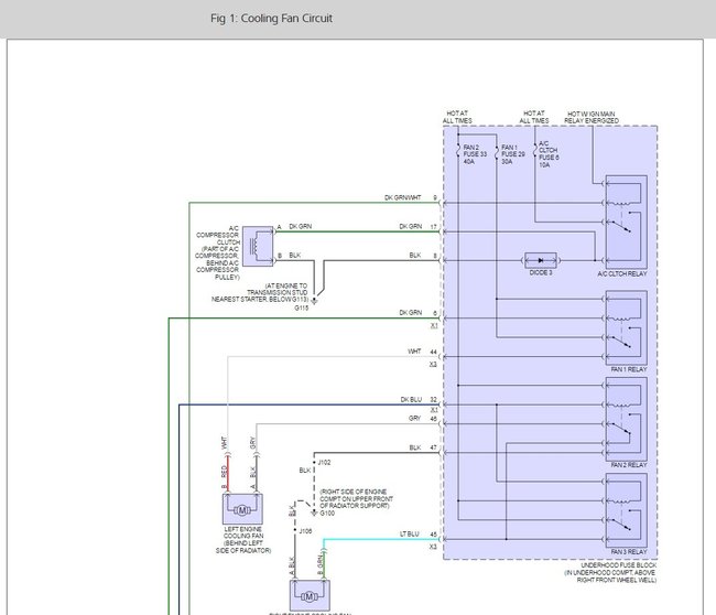
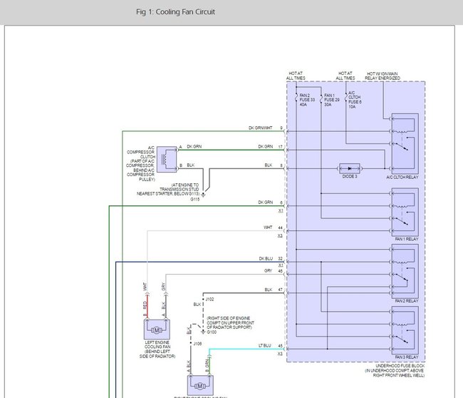
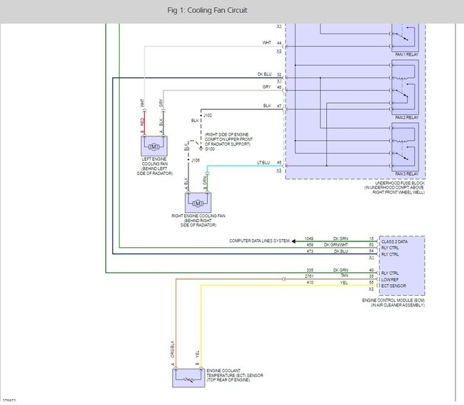
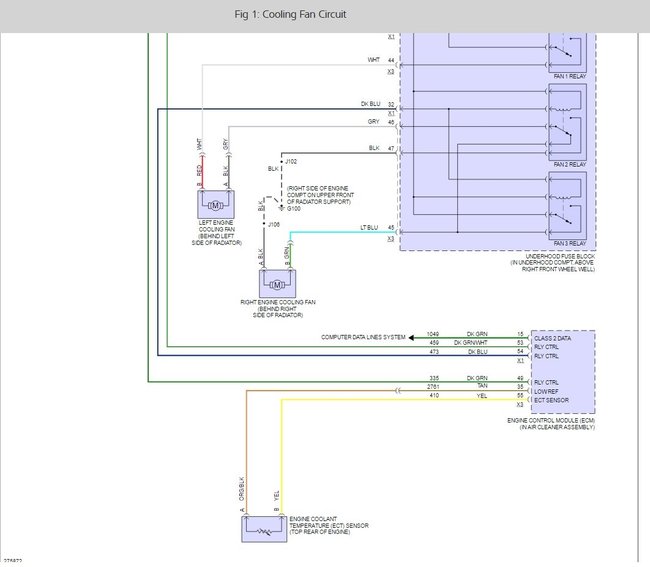
overheating. Temperature sensor located in head has been replaced and relays exchanged for known good ones. High speed and low speed fans both work when wired directly. When van gets hot high speed fans not coming on. I also swapped the Ecm with a parts van I have and no change in the issue. Where is the sensor for the high speed fans located? Thanks
Apr 3, 2017 at 12:40 PM

