Hello,
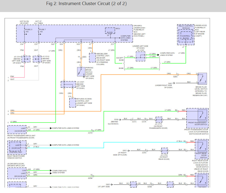
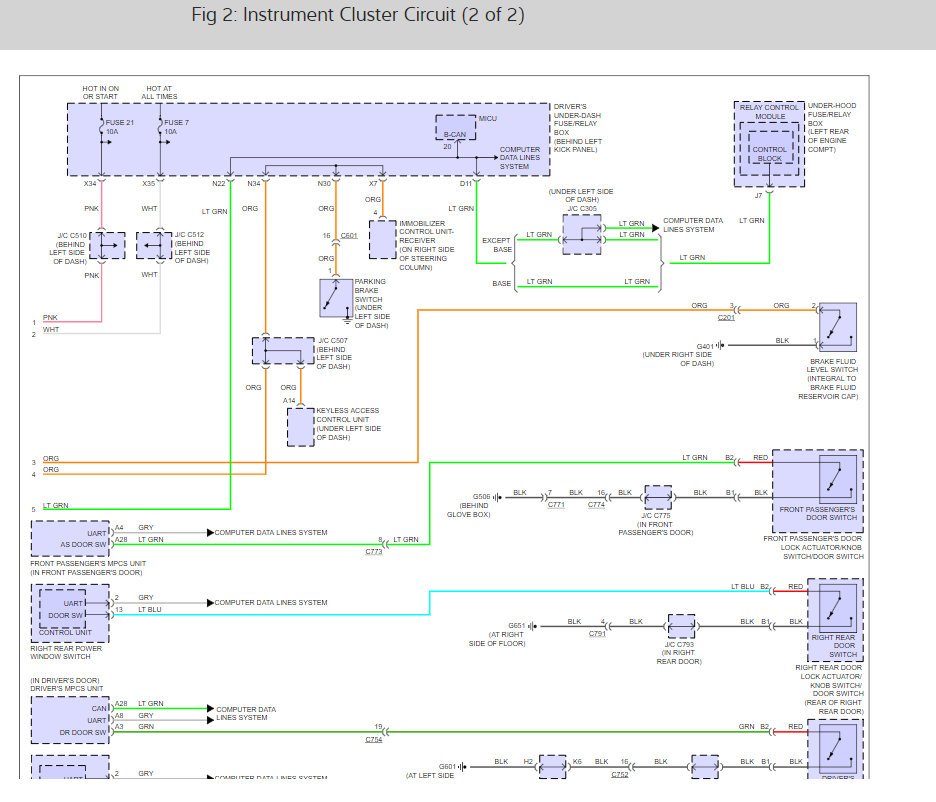
It sounds like you have a fuse out here is a guide that will help you check fuses # 7 and 21 and the fuse location as well with the cluster wiring diagrams so you can see how the system works.
https://www.2carpros.com/articles/how-to-check-a-car-fuse
Check out the diagrams (Below). Please let us know what you find. We are interested to see what it is.
Images (Click to enlarge)
Jan 26, 2019 at 11:35 AM