there is no power at all?

2007 OPEL CORSA
300,000 MILES • 1.4L • 4 CYL • 2WD • MANUAL
Avatar
SONIKA SONSIE DIPPENAAR
  • MEMBER
  • 1 POST
We worked on the engine and when we switched in the ignition afterwards the lights came on but when dead just after. Now there is no power at all.
Feb 16, 2025 at 1:38 AM
Advertisement
Avatar
BORIS K
  • CERTIFIED EXPERT
  • 836 POSTS
Hello,

I guess the vehicle you are working on is a 2007 Opel Corsa D, no VIN was supplied
With no power at all you mean no dashboard lights, no ignition?
Have you checked the condition of battery and connections?

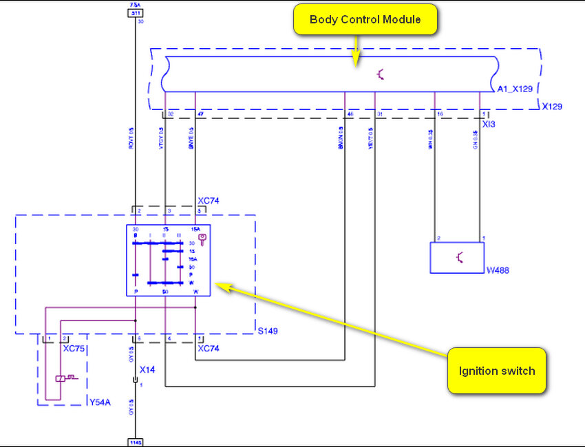
The ignition switch supplies power to the BCM, Body Control Module
The BCM is located behind the glove box

The wiring from ignition switch to BCM connector Xi3, grey 60 pin at rear of BCM
Constant 12V is sent from fuse F4(7.5A) on BCM

Pin out at ignition switch (black/blue 6 pin) to BCM connector Xi3

Pin 1, brown/green wire to BCM pin 46 W signal/voltage
Pin 2, red/violet wire Constant 12V from fuse F4(7.5A)
Pin 3, violet/grey wire to BCM pin 32 terminal 15
Pin 4, yellow/violet wire to BCM pin 31 terminal 50
Pin 5, brown/yellow wire to BCM pin 47 terminal 15A
Pin 6, grey wire AT shift interlock/key signal to shift lever pin 2(Automatic vehicle)

See images below.

A few useful links:
https://www.2carpros.com/articles/how-to-check-a-car-fuse
and
https://www.2carpros.com/articles/everything-goes-dead-when-engine-is-cranked
and
https://www.2carpros.com/articles/how-to-check-wiring

Hope this helps.

Cheers, Boris
Feb 18, 2025 at 3:38 AM