No electrical power?

2008 CHEVROLET IMPALA
160,000 MILES
Avatar
DEEBUNNY
  • MEMBER
  • 2 POSTS
I have no power at all can we fix it please?
Apr 20, 2021 at 11:15 PM
Advertisement
Avatar
STEVE W.
  • CERTIFIED EXPERT
  • 15,113 POSTS
Which power are you referring to? Loss of engine power, loss of electrical power? this guide can help:

https://www.2carpros.com/articles/everything-goes-dead-when-engine-is-cranked


Please run down this guide and report back.


Apr 21, 2021 at 1:45 AM
Avatar
DEEBUNNY
  • MEMBER
  • 2 POSTS
Yes both.
Apr 21, 2021 at 2:55 AM
Advertisement
Avatar
STEVE W.
  • CERTIFIED EXPERT
  • 15,113 POSTS
Okay, so you mean you hit the key and nothing happens? If you turn on the lights do they work? What have you tried to do already? Need more information about what the car is or isn't doing?
Apr 21, 2021 at 3:25 AM
Avatar
STEVE W.
  • CERTIFIED EXPERT
  • 15,113 POSTS
Hello, just checking to see if you already repaired it or what happened.
Apr 23, 2021 at 6:59 PM
Avatar
LEONARDBENNETT
  • MEMBER
  • 1 POST
battery is fully charged but no electricity is getting to the car
May 11, 2021 at 12:36 PM (Merged)
Avatar
MMPRINCE4000
  • CERTIFIED EXPERT
  • 8,548 POSTS
Make sure battery connections to battery, starter and ground are clean and tight. this guide can help

https://www.2carpros.com/articles/everything-goes-dead-when-engine-is-cranked

If problem persists, a fuse is blown, check all fuses and fusable links in fuse box in engine compartment.
May 11, 2021 at 12:36 PM (Merged)
Avatar
WILLIAM PATE
  • MEMBER
  • 2 POSTS
Installed brand new battery. It crank and ran 2 different times. Went out the next morning and no electrical power. I can hook jumper cables from another car and I get all electrical power but still not turning over.
May 11, 2021 at 12:36 PM (Merged)
Avatar
STEVE W.
  • CERTIFIED EXPERT
  • 15,113 POSTS
I would check that the battery connections are clean and tight with no dirt or grease in them, I would also use a meter to see if the battery has any charge at all, it should be at least 12 volts if it has a charge. 12.6 if it's a full charge. What was the reason for battery replacement? This guide can help you

https://www.2carpros.com/articles/everything-goes-dead-when-engine-is-cranked

Please run down this guide and report back.
May 11, 2021 at 12:36 PM (Merged)
Avatar
WILLIAM PATE
  • MEMBER
  • 2 POSTS
I just bought the car and it didn't have a battery in it at the time of purchase. It has a homemade shut off switch in it as well. Just a lighted toggle flip. Can I just connect the wires from the toggle together and bypass the toggle switch?? Or should I trace it back and disconnect it all together?? Thank you for your help in this matter.
May 11, 2021 at 12:36 PM (Merged)
Avatar
STEVE W.
  • CERTIFIED EXPERT
  • 15,113 POSTS
I would trace it back and see what it is connected to. Then check to see if there is a parasitic drain or other reason why the battery stopped working. How does the switch work at the moment? Flip it on to start and off the stop or do you still have a key and the switch is supposed to do something else?
May 11, 2021 at 12:36 PM (Merged)
Avatar
WANDA ANDREWS
  • MEMBER
  • 1 POST
My positive battery cable was burnt in half by the belt. I replaced the positive cable and checked all the fuses. The car has no power. When connecting the cables back the cables arced twice.
May 11, 2021 at 12:36 PM (Merged)
Avatar
JOHNNY G.JR
  • CERTIFIED EXPERT
  • 320 POSTS
Check voltage on battery, should around 12.8 volts, If not charge battery fully "slowly" overnight or eight hours and have a load test run at auto parts store or local garage. anti theft system might need to be reprogramed to start vehicle.
May 11, 2021 at 12:36 PM (Merged)
Avatar
JOHNNY G.JR
  • CERTIFIED EXPERT
  • 320 POSTS
There could be burnt wires that need attention first in wiring harnesses.
May 11, 2021 at 12:36 PM (Merged)
Avatar
STRAILER
  • CERTIFIED EXPERT
  • 53,855 POSTS
Hey WANDA.


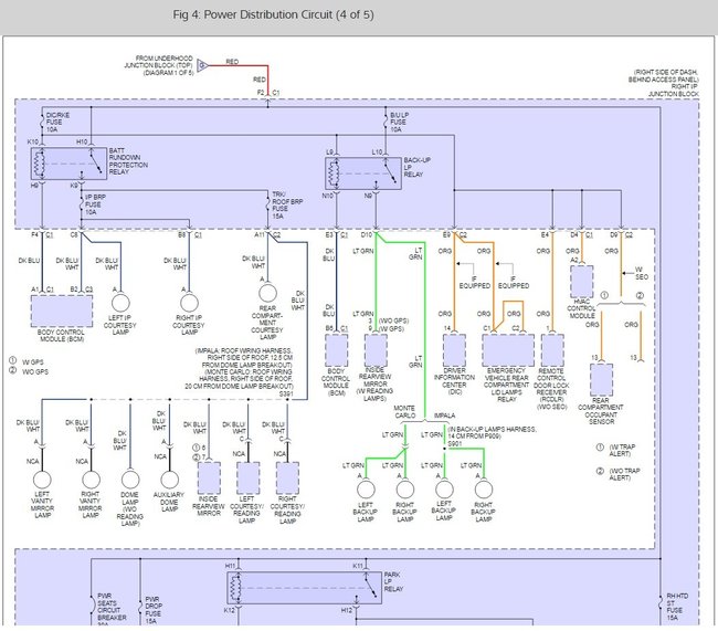
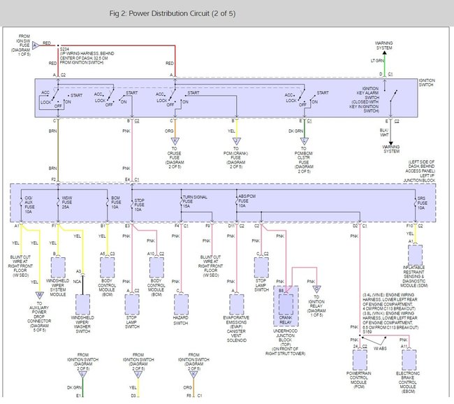
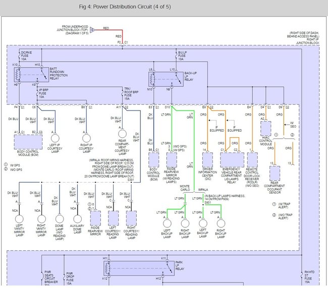
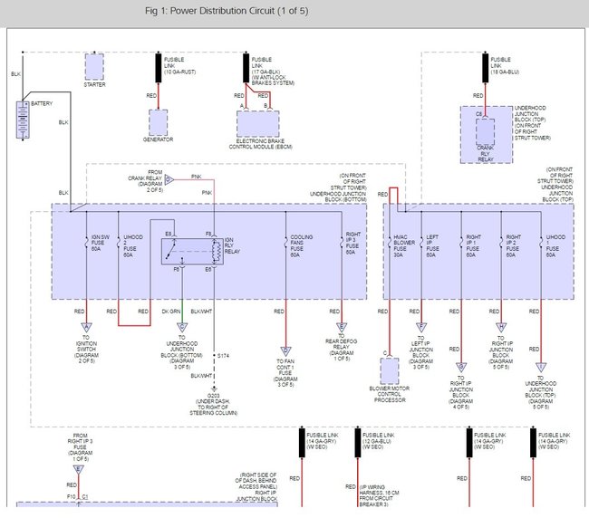
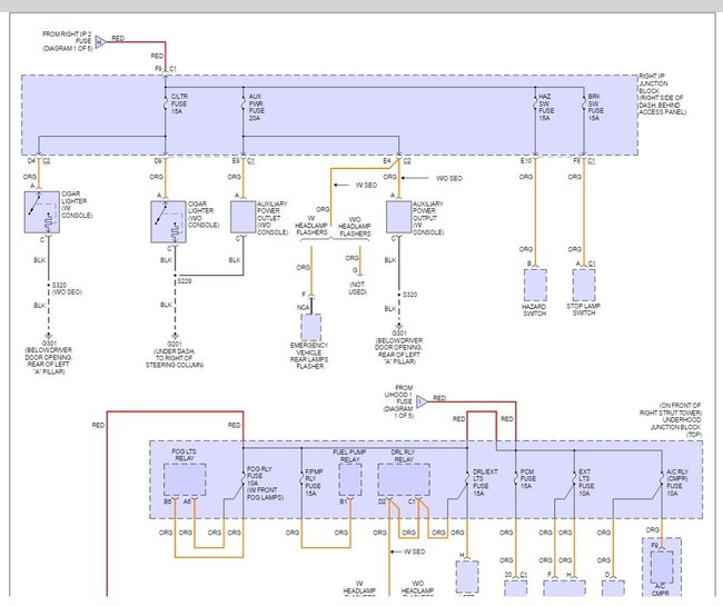
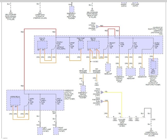
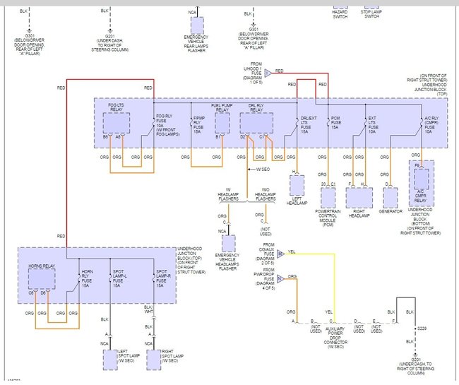
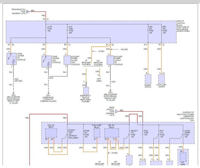
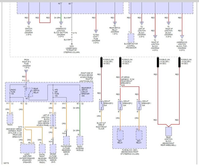
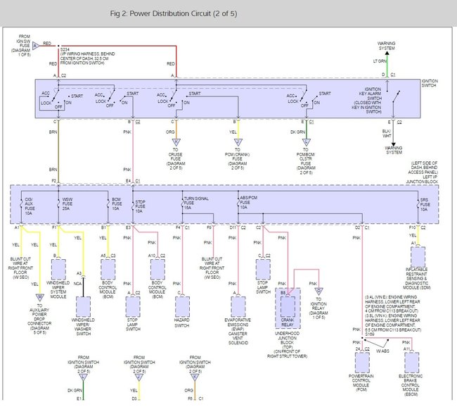
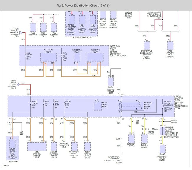
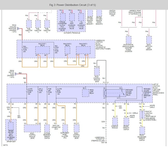
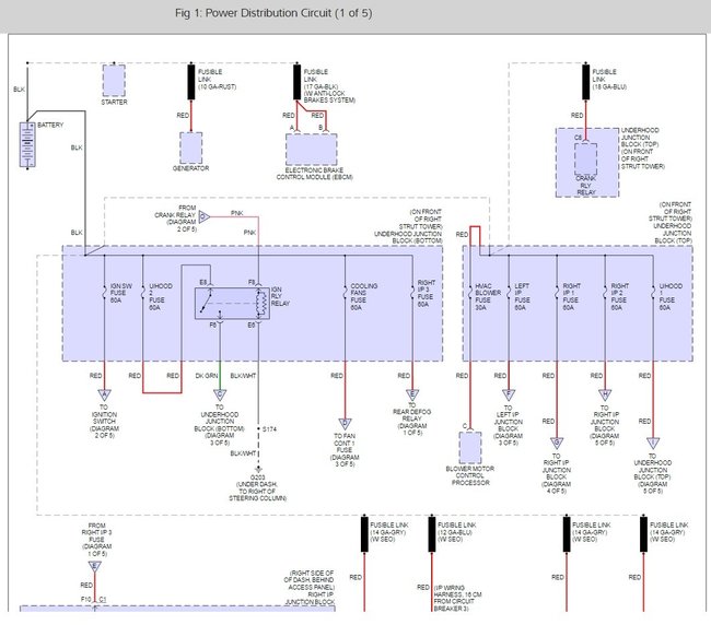
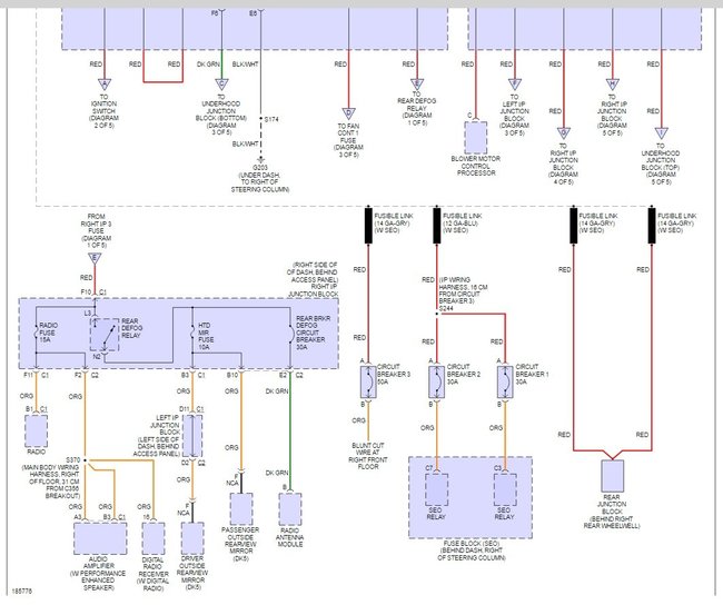
It sounds like you you might have blown a fusible link. Here are some wiring diagrams and a guide to help you do some testing to see if you can find the problem.

https://www.2carpros.com/articles/how-to-use-a-test-light-circuit-tester

Please run some tests and get back to us so we can continue helping you.

Best, Ken
May 11, 2021 at 12:36 PM (Merged)
Avatar
BRYAN WARD
  • MEMBER
  • 2 POSTS
My car has no power to locks, radio, lights or anything else. The only thing that comes on when I turn the key is the check engine light. I just bought my battery, new, a month ago and have been driving around fine except just replaced the mass airflow sensor right when this happened. I tried jumping the battery with no luck. I've looked everywhere but can't find anything that is exactly my problem. I'm at my wits end so if anyone can help it would be much appreciated. Thank you
May 11, 2021 at 12:37 PM (Merged)
Avatar
BRYAN WARD
  • MEMBER
  • 2 POSTS
Whatever this is, is ticking every 7 seconds or so when I wiggled the writing attached to/around my battery. Until I disconnected the clip. Not the MAF sensor but the one beside it a little higher.
May 11, 2021 at 12:37 PM (Merged)
Avatar
SCGRANTURISMO
  • CERTIFIED EXPERT
  • 4,897 POSTS
Hello,

In the diagrams down below I have included a diagram showing the locations of all the input sensors for vehicle. Please use this guide to match up the problemed sensor and get back to us with what you are able to find out.

Thanks,
Alex
2CarPros
May 11, 2021 at 12:37 PM (Merged)