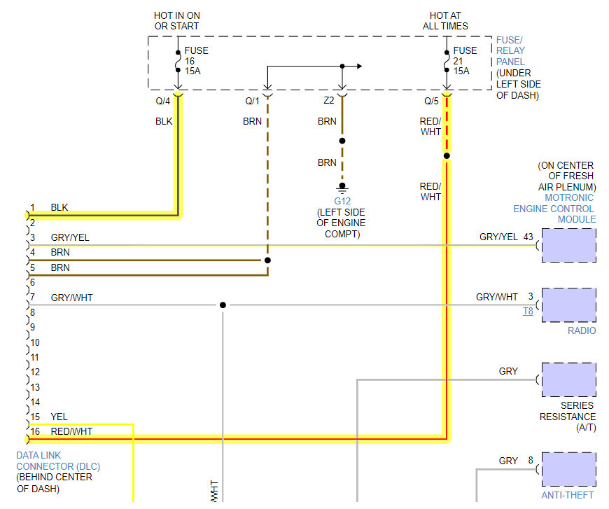
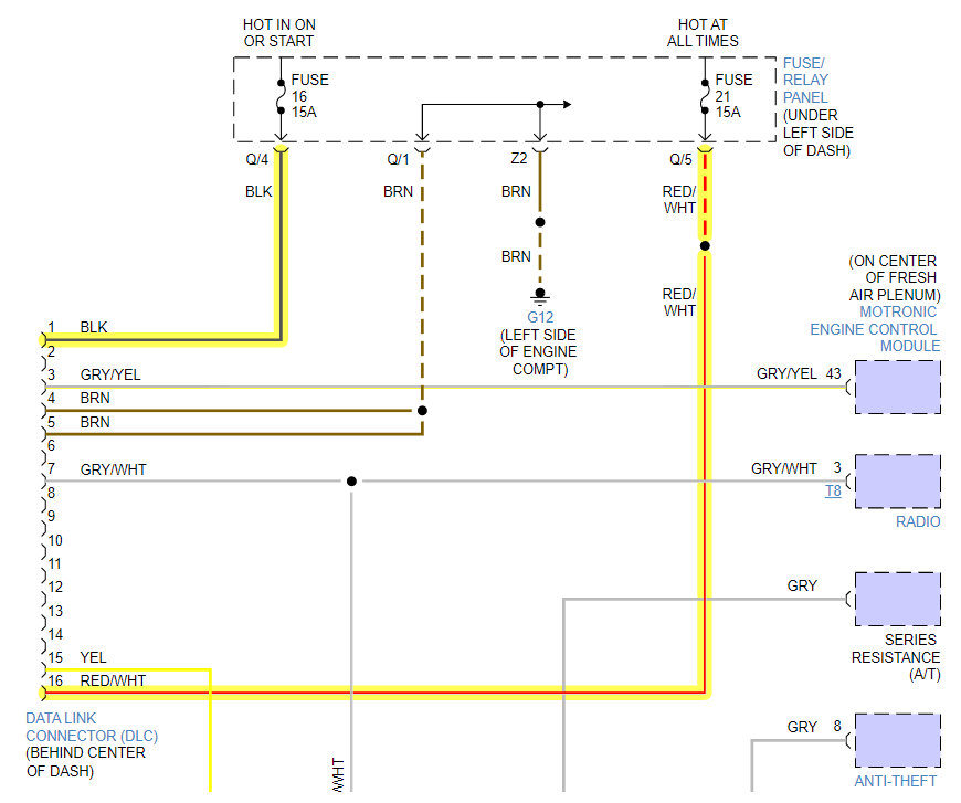
Well, we don't really have a guide for short circuits, you should start by checking the easy things. I've underlined the Lighting circuits which are easiest to check to begin with. I will post the location of the other components to check. While checking these lighting circuits first, make sure that the socket for the light bulb is ok, it's not corroded in anyway or that the wiring to that light doesn't have a spot where the insolation has been rubbed threw and the wire is touching bare metal. Most shorts to ground are at Contact points, which is anywhere the wiring harness contacts the engine block, the frame, really any spot where the harness could have potentially rubbed through the insolation. Be careful moving the harness too much. Look more than move parts of the harness. I say this because you can accidentally move the part of the wiring harness that is shorted away from the area that is shorted and you'll never find the problem. Usually, we would put a circuit breaker in the position of the Fuse, because you have to be extremely careful, you don't want this short to burn out any modules on that circuit, which you do have. This may or may not be something you're comfortable doing. There is a risk.
That being said, if you have an automotive 12volt test light, I'm going to post a video that has to deal with shorts to ground. What I would do in your case is, since this video is going to show you to put a test light in place of the fuse. Since you have probably never done this before, I would use the test to check the circuit but not leave it in there the whole time. I would unplug components on the circuit and then check at the Fuse location with the test light if you still have a short to ground. That way your not energizing the circuit the entire time and risk burning up a module or other component. So, for instance, unplug some of these lighting circuit bulbs, check the fuse location with the test light, if the light is still being lit at the fuse location, move on to the next component. Youve got some locking switches on this circuit, the instrument cluster (is that working by the way?), the radio, Alarm system light, etc.
The one I would be concerned the most with is the Central Locking System Pump and Control Module. You don't want to burn those out. I'm assuming that your locking system is not working either.
So, start by unplugging all these light bulbs on the circuit, and the radio. If you go across the fuse with a test light and it lights, you still have a short to ground. Because you will have power on one side of the fuse location and the short to ground on the other side. I will look for the locations of these other components for you. These Door lock switches also; you may have to remove the door panels to get to these. But take your time, be sure of what you're always doing, Ill post the locations as I find the information,
One other thing. This radio may take a code to get working again once unplugged. Do you have that?
https://www.youtube.com/watch?v=GzPrQc0mpg0
https://www.2carpros.com/articles/how-to-check-wiring
Images (Click to enlarge)
Jan 26, 2022 at 3:13 PM