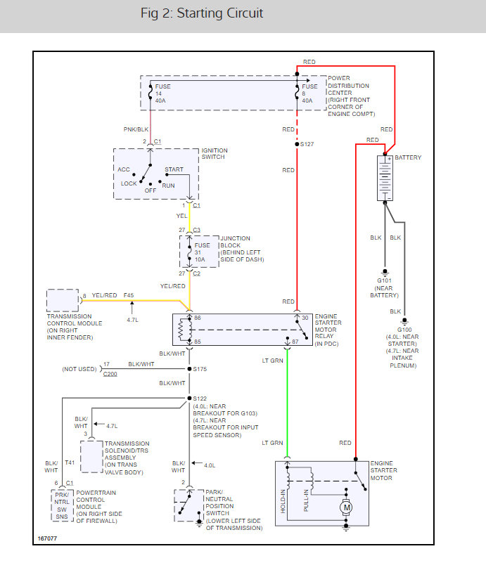
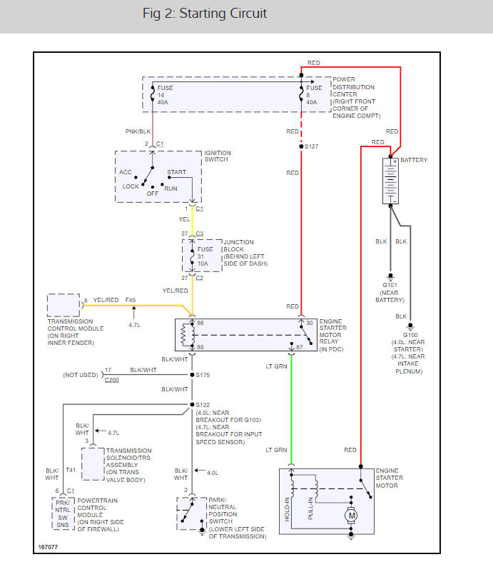
With the fuse box under the dash the ignition starter fuse holder has no power.with the fuse box under the hood the oxygen sensor fuse holder and the fuel injectors fuse holder and ignition fuse holder have no power. I've checked the relays I don't have a multi-meter. is there something else besides the relays that would cause this problem?
Oct 27, 2019 at 4:12 PM






