No radio sound

2007 SATURN AURA
160,000 MILES • 6 CYL • 2WD • AUTOMATIC
Avatar
GRASS23
  • MEMBER
  • 1 POST
Radio comes on all channels and time works, can change channels but no sound. Also no sound from turn signals and warning chime is real low.
Sep 3, 2019 at 5:22 AM
Advertisement
Avatar
STRAILER
  • CERTIFIED EXPERT
  • 53,855 POSTS
Hello,

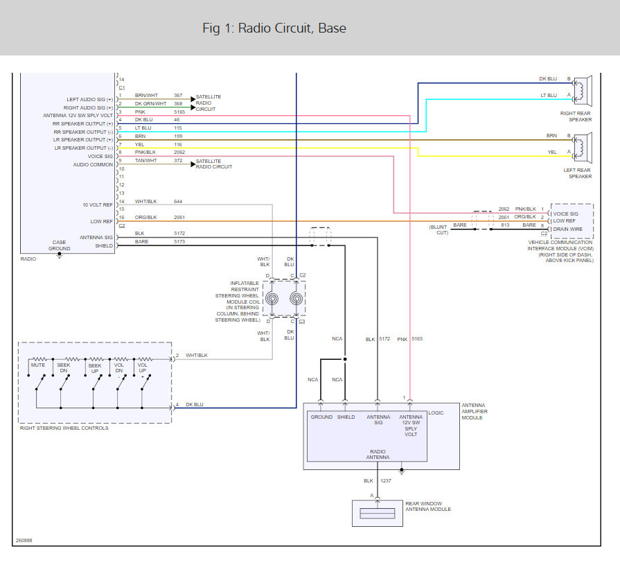
There is an audio amp fuse we need to check. here is a guide to help us with the fuse location along with the radio wiring so you can see how the system works:

https://www.2carpros.com/articles/how-to-check-a-car-fuse

If the fuse is okay the head unit is bad here is a video of the job being done on a similar car.

https://youtu.be/p_13d9FzsF0

Check out the diagrams (below). Please let us know what you find. We are interested to see what it is.
Sep 4, 2019 at 5:56 PM