No spark or fuel after replacing serpentine belt

2003 HYUNDAI SANTA FE
130,000 MILES • 3.5L • V6 • 2WD • AUTOMATIC
Avatar
JOSEPH DUGGER
  • MEMBER
  • 2 POSTS
I was driving fine then it shut off. I found the serpentine belt had came off because the pulley wore out. When replacing the pulley I noticed the crank sensor had busted from the belt flapping I suppose. I replaced the sensor, the belt and pulley. Now I am not getting any spark or fuel. There is no power at a couple of the ECU fuses but I am not sure if there should be without it running? Code reader will not show anything at all. I’ am suspecting the busted crank sensor could have grounded out and fried the ECU, but I know little about these foreign vehicles. Any help?
Jun 4, 2018 at 10:36 AM
Advertisement
Avatar
STRAILER
  • CERTIFIED EXPERT
  • 53,855 POSTS
Hello,

My first guess would be the sensor wiring connector has shorted or has a failed connection, but I would also look around for a ground wire that has been left off during the repair.

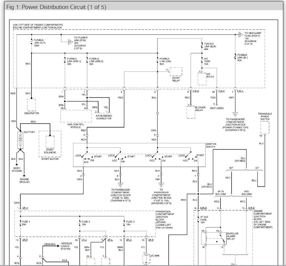
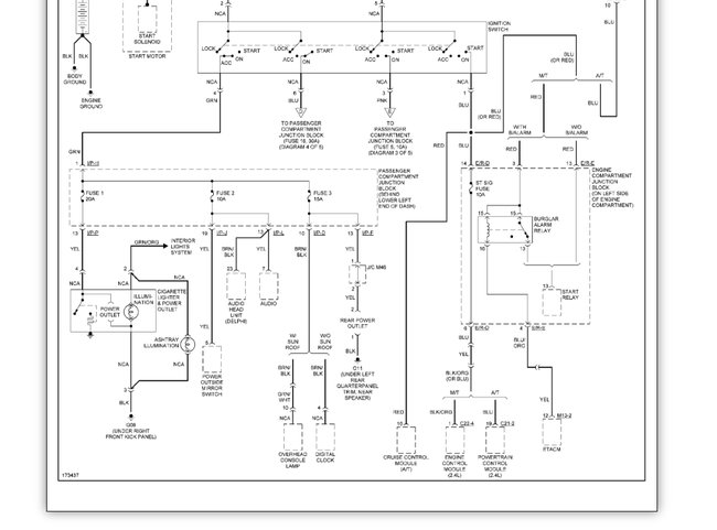
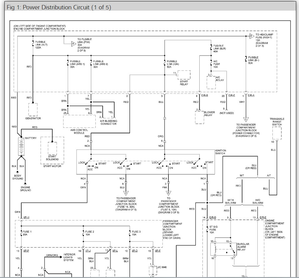
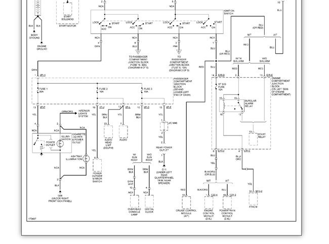
Here are the engine wiring diagrams and a guide to help you check the connections:

https://www.2carpros.com/articles/how-to-check-wiring

There is also an engine control relay I would test as well. Here are the fuse panel identifications as well. It shows the crankshaft sensor at the rear of the engine?

Check out the diagrams (below). Please let us know what you find. We are interested to see what it is.

Cheers, Ken
Jun 5, 2018 at 11:20 AM
Avatar
JOSEPH DUGGER
  • MEMBER
  • 2 POSTS
Thanks for the diagrams! So I have got it pin pointed down to the ECU relay not activating. I can jumper the ECU relay slots and the other ECU fuse slots regain power. Without jumping it, ECU fuses numbers 1, 2 and 3 have no power. What tells this ECU relay to activate? I have checked every single fuse, fuse link and relay and they are all good and have power with the exception of the aforementioned three ECU fuses.
Jun 5, 2018 at 12:10 PM
Advertisement
Avatar
STRAILER
  • CERTIFIED EXPERT
  • 53,855 POSTS
The ignition switch supplies power to the system. Here is a wiring diagram so you can test it. Check for power through the switch.

https://www.2carpros.com/articles/how-to-use-a-test-light-circuit-tester

Check out the diagrams (below). Please let us know what happens.

Cheers, Ken
Jun 6, 2018 at 10:03 AM