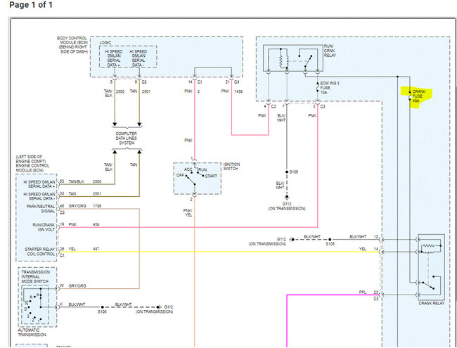
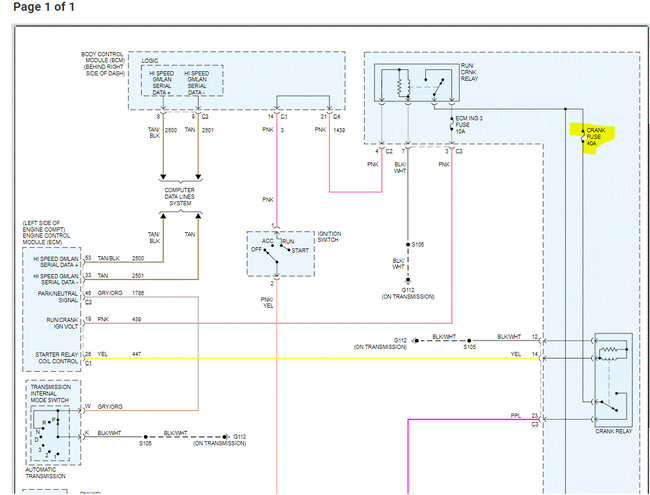
Please help. I have the car listed above and recently it has developed a problem with starting. The key goes in and all the lights show up but the starter does not engage and the car doesn’t even try to start. I took it to a mechanic I trusted they charged me a whole $200.00 to change a simple starter relay when they told me they did the ignition switch (which they didn’t ) and it started but then just stopped working again and won’t start. It will start sometime if you play with the relays. Does anybody know what this is. I’m a broke young kid and I’m already out $300.00 on this simple problem I’m sure could have been fixed if the mechanic I took it to was honest. I cleaned off the ground wire and it started then shut it off and it wouldn’t start again. I got it to start with the key once by jiggling the fuse box so I thought it was a bad connection in the relay prongs but I was wrong there too. Does anybody have any suggestions on what I should do at this point? I can’t afford to have it sit in a shop for the next week while they fix a bunch of things that aren’t broken.
Jan 20, 2021 at 8:29 AM

