Pinout for CAN high and CAN low?

2008 JEEP LIBERTY
12,560 MILES • 3.7L • 6 CYL
Avatar
ANDRIN ATEM
  • MEMBER
  • 393 POSTS
hi, please I like to have the Pinout for can high and can low for the immobilizer unit antenna. I have actually done a resistant test but I can seem to find 60 ohms on the two wires for can. But I have power and ground.

Please can you help me with a diagram that clearly points out the can wires and pinouts for the 7 wires connector to the immobilizer unit. Vin 1J8GN28KX8W251790.


I will truly appreciate if I have a bloc diagram of all modules on network. From the image below, just 5 modules appear on the network.
Apr 8, 2026 at 6:59 AM
Advertisement
Avatar
STRAILER
  • CERTIFIED EXPERT
  • 53,855 POSTS
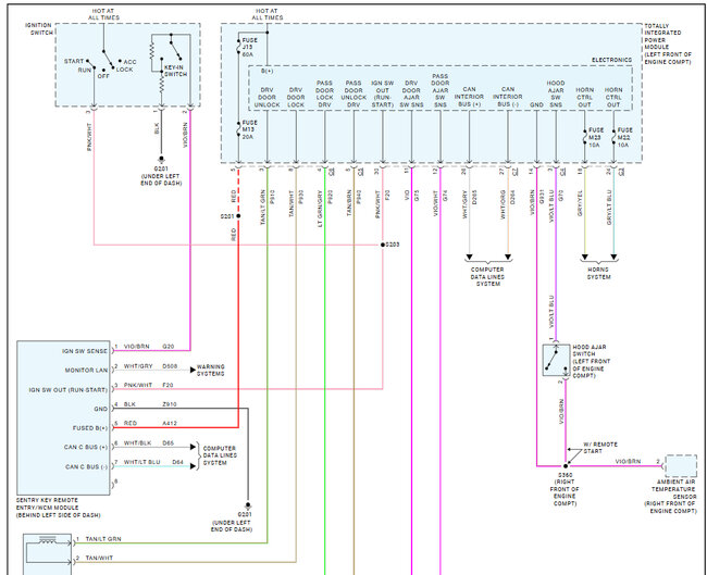
So I can tell you the TIPM have a high failure rate, FYI, here are the wiring diagrams which show the high and low CAN for the security system. I would try to find a used TIPM on ebay. Check out the images (below). Let us know how it goes
Apr 9, 2026 at 6:36 AM
Avatar
ANDRIN ATEM
  • MEMBER
  • 393 POSTS
Thank you Ken, it’s always a pleasure getting feedbacks from you. However had already done the preliminary checks on the can high and low on all ends. I noticed the can high and low reads normal show the network is alive, system is not shorted because I get 60 ohms of resistance, both can reads. But a section of the network is not visible. So this must be an internal fault from the central gateway module. May I have the bloc diagram of modules? Just to see what am missing.
Apr 9, 2026 at 10:42 AM
Advertisement
Avatar
STRAILER
  • CERTIFIED EXPERT
  • 53,855 POSTS
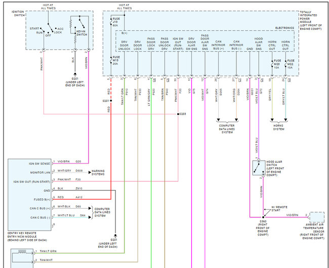
Hi Andrin, sure here is the entire CAN network so you can network so you can see how it works. Check out the images (below). Let us know how it goes
Apr 10, 2026 at 8:42 AM