Code p0300 p16a1, no start after injector replacement?

2015 GMC CANYON
107,000 MILES • 3.6L • V6 • 2WD • AUTOMATIC
Avatar
DIRT POOR
  • MEMBER
  • 12 POSTS
I replaced plugs coil packs and pulled injectors replaced injector on cylinder 4. Now no crank no start has p0300 p16a1 scanner will not turn those off. What could be issue and solution?
Feb 20, 2024 at 1:44 PM
Advertisement
Avatar
JACOBANDNICKOLAS
  • CERTIFIED EXPERT
  • 110,175 POSTS
Hi,

The P0300 is a random misfire code. The P16A1 is related to a high voltage issue to the throttle position sensor. Even with that, I would think it would run. Have you checked to make sure it is getting spark and fuel to the engine itself? Will it start with starting fluid?

Check for a short to power around the wiring to the throttle body. Also, just look over any connectors and wiring you moved around when you did the work. Make sure nothing got pinched or damaged.

Let me know.

Joe
Feb 20, 2024 at 8:35 PM
Avatar
DIRT POOR
  • MEMBER
  • 12 POSTS
It doesn't even turn over, turn the key start like dead battery but battery test 13.4 volts. Thinking it's in anti theft mode and I've down the rest procedure still nothing it drive here now customer is pist and idkw or what caused this issue. Only codes it show the, are permanent codes. Nothing seems to make wok disconnect battery hold terminal together tried 100 times. No data on live scan but wouldn't be because wiped pcm by disconnecting battery. I don't know what to do I took everything back apart and reinstalled checked connector looks good. And no crank period.
Feb 20, 2024 at 10:33 PM
Advertisement
Avatar
DIRT POOR
  • MEMBER
  • 12 POSTS
So, I've done anti-theft reset battery has 13 4 Volts, it is getting fuel the head is completely full of fuel. Still nothing when tried crank acts like a drained battery. Also, when key on I don't hear injectors click or anything telling system to fire.
Feb 21, 2024 at 1:49 PM
Avatar
JACOBANDNICKOLAS
  • CERTIFIED EXPERT
  • 110,175 POSTS
Hi,

I didn't realize it was a no-crank/no-start. I thought it was just a no-start. Have you checked the starter relay or tried starting it in neutral?

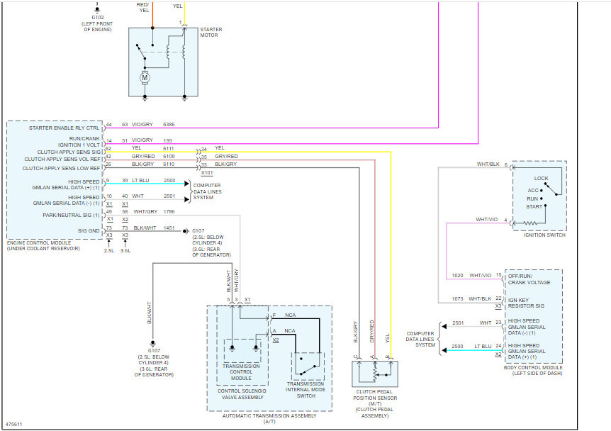
I attached the wiring schematic for the starter circuit below. Make sure the start relay is getting power to both pins 30 and 85. Pin 30 should have power at all times. Pin 85 should only have power with the key in the start position.

Let me know.

Joe

See pics below.
Feb 21, 2024 at 7:18 PM
Avatar
DIRT POOR
  • MEMBER
  • 12 POSTS
Okay, I will try jumping the starter, but koeo should still hear injectors prime and throttle plate open close prior to start, I have fuel just no crank or start, customer drove the truck here now it's 3 days they pist off and idk what to do fix it.
Feb 22, 2024 at 10:35 PM
Avatar
JACOBANDNICKOLAS
  • CERTIFIED EXPERT
  • 110,175 POSTS
Hi,

Let's try to get the engine cranking first. Let me know if you have any success with that. Once we determine the cause of the no crank, that may lead us to other problems.

I do have a question. You mentioned the fuel rail has fuel, but you don't hear the pump. Do you have proper fuel pressure? If you do, (can be checked with the engine off), then we need to check the injectors for power.

Let me know.

Joe
Feb 23, 2024 at 8:16 PM