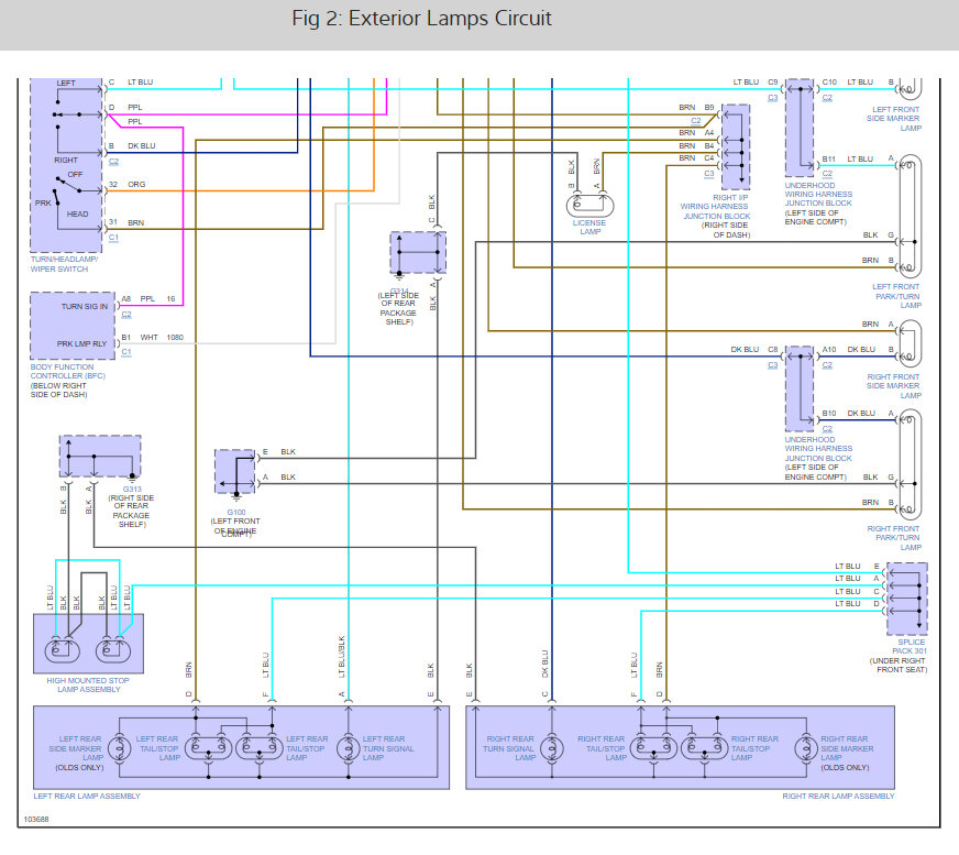
I noticed my lights were blinking rapidly, so I bought two blister packs for the rear lights. Replace all four bulbs, both blinker and reverse on each side. Still don't have any lights.
Dec 12, 2022 at 1:00 AM



