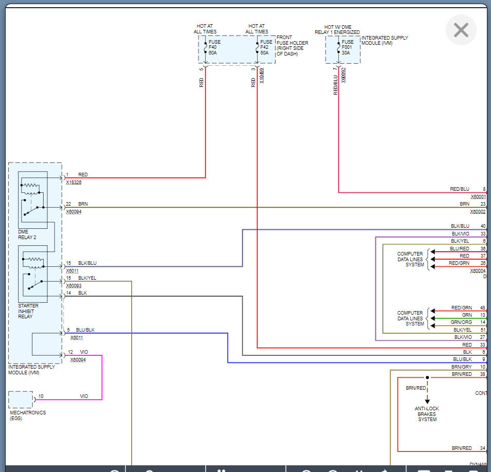
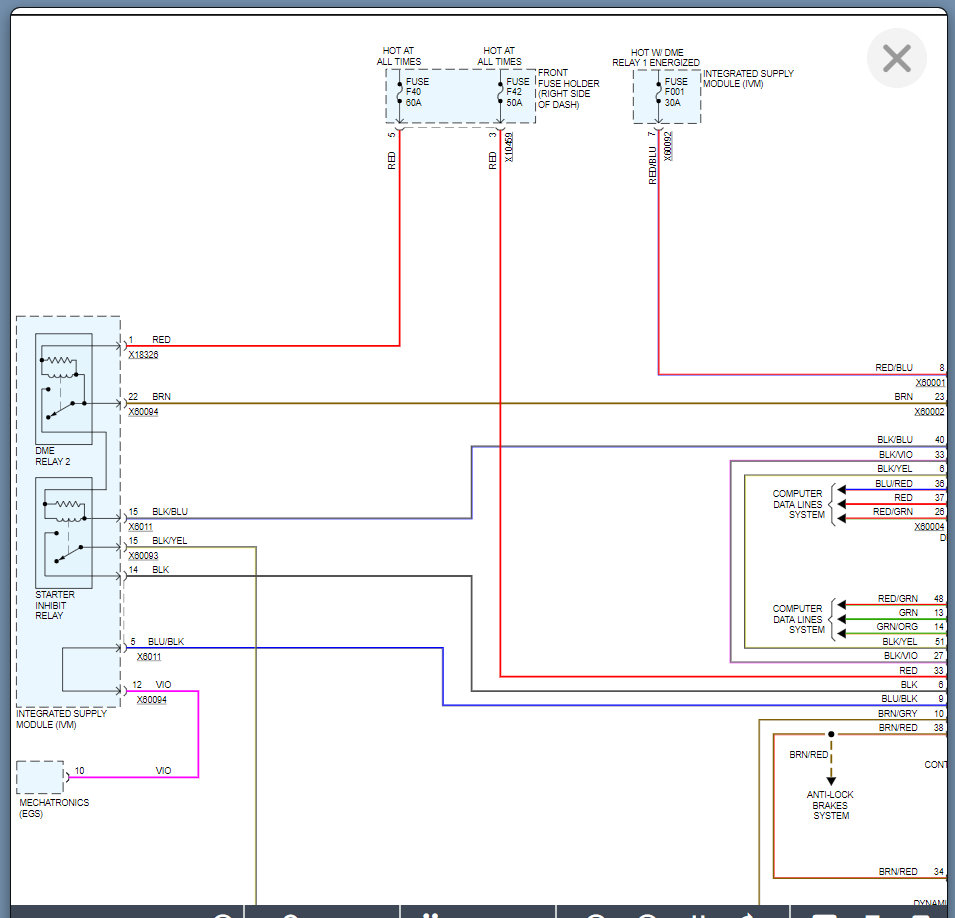
I had arrived at home and turned car off. A few hours later i went to start car and nothing. The dash lights up but flicker when i hit the start button. The starter does not turn over . Is there a way to hook up a remote starter without hooking up directly to the starter because it is near impossible to get to?
Jun 9, 2021 at 12:49 AM




