Not shifting into gear or park

1996 AUDI A4
130,000 MILES • 2.8L • 6 CYL • 2WD
Avatar
NICK BARIENBROCK
  • MEMBER
  • 5 POSTS
My vehicle listed above Quatro was overheating, so we put it into neutral and coasted to a stop. the car had been sitting for years. this was the first time driving it. The car would not go into park . i found that the shift cable came off the shifter but even when i move the cable into drive the car will not drive.
Nov 3, 2020 at 7:55 AM
Advertisement
Avatar
JACOBANDNICKOLAS
  • CERTIFIED EXPERT
  • 110,175 POSTS
Hi,

First, where did it come disconnected (in vehicle or at transmission)?

If it came apart in the vehicle, have you checked to see if it is shifting at the transmission when you do it manually?

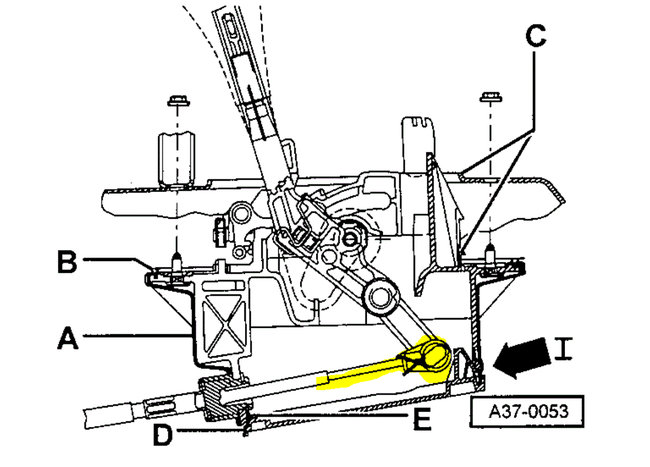
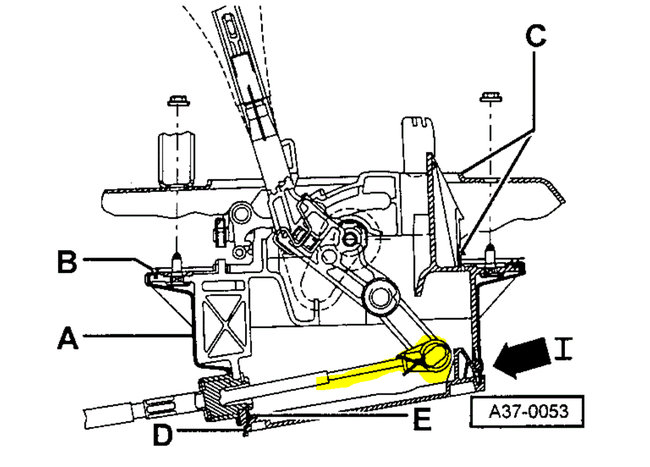
I attached two pics below. Let me know where it came apart from.

Joe
Nov 3, 2020 at 6:20 PM
Avatar
NICK BARIENBROCK
  • MEMBER
  • 5 POSTS
I found where the linkage broke on top by shifter. I'm able to move it by hand to get into gear but the car will not move in any gear except neutral.
Dec 9, 2020 at 10:29 AM
Advertisement
Avatar
NICK BARIENBROCK
  • MEMBER
  • 5 POSTS
On the dash by the mileage it says. In2. What does that mean?
Dec 9, 2020 at 10:31 AM
Avatar
JACOBANDNICKOLAS
  • CERTIFIED EXPERT
  • 110,175 POSTS
Hi,

The in2 is for adapting SRI For Inspection Service Interval-2 (IN2) (Time In Days).
This function is used to enter the time until the next inspection service 2 is due.

When you change the gears, are you moving the shifter itself or only a cable? Are you certain the linkage on the transmission is moving? If the vehicle is moving in neutral, the shift lever on the transmission is likely not in the right position. Does it go forward or reverse in neutral?

Let me know.

Joe
Dec 9, 2020 at 8:09 PM
Avatar
NICK BARIENBROCK
  • MEMBER
  • 5 POSTS
I meant the will roll in neutral. When i put it in gear by hand at the top by the shift cable it does not move at all. It feels like it wants to do something but not even enough to shake the car. I was told possibly my radiator is leaking into my transmission. Would that be possible?
Dec 12, 2020 at 7:09 PM
Avatar
JACOBANDNICKOLAS
  • CERTIFIED EXPERT
  • 110,175 POSTS
Hi,

It is possible, but the only way to know is by checking the transmission fluid. Also, check the condition of the coolant to see if there looks likes anything is contaminating it.

As far as the transmission fluid, they are a bit of a pain to check. The engine has to be at operating temp and running. There are two plugs on the transmission pan. One is a drain (don't remove) and the other is where you check the fluid. With the engine running and at operating temperature, remove that plug and the fluid should trickle out.

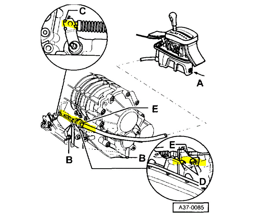
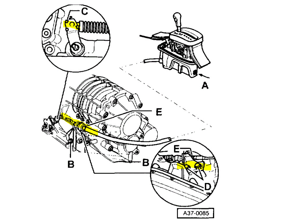
If you look at pic 1, I highlighted the check plug. It should be a 17mm hex bolt (looks like an allen wrench bolt).

Make sure you remove the correct one. It should be bigger and recessed. That is the fill location as well as the check and fluid should trickle or drip out. Make sure to have a pan under it and some rags.

Let me know what you find.

Joe.
Dec 12, 2020 at 11:10 PM
Avatar
NICK BARIENBROCK
  • MEMBER
  • 5 POSTS
The fluid was black so drained the whole thing.
Dec 14, 2020 at 2:45 PM
Avatar
JACOBANDNICKOLAS
  • CERTIFIED EXPERT
  • 110,175 POSTS
Hi,

At this point, I would recommend removing the pan and replace the filter, and clean things out. Let me know if it makes a difference.

Here are the directions. The attached pics correlate with the directions.

_________________________________

1996 Audi A4 Sedan (8D2) V6-2.8L (AFC)
Automatic Transmission Fluid (ATF), Checking and Changing
Vehicle Maintenance Fluids Fluid - A/T Service and Repair Procedures Automatic Transmission Fluid (ATF), Checking and Changing
AUTOMATIC TRANSMISSION FLUID (ATF), CHECKING AND CHANGING
Automatic Transmission Fluid (ATF), checking and changing

ATF level, checking

Special Tools and Equipment


pic 1



VAS5051 tester with VAS5O51/1 diagnostic cable (or VAG 1551 scan tool with VAG 1551/3 cable)
VAG 13O6 drip tray
VAG 1924 ATF filler tool
Protective glasses

Note: Audi does not provide a method of checking the fluid level without the use of the above mentioned tools


Test requirements:

- Transmission must not be in emergency running mode.

- Vehicle on level ground.

- Selector lever in "P", let engine run at idle.

- A/C system and heating switched off.

- ATF temperature must not be higher than 30°C at start of test, allow transmission to cool down if necessary.

Notes:
- ATF level changes with ATF temperature.

- Performing ATF level check when ATF temperature is too low causes overfilling.

- Performing ATF level check when ATF temperature is too high causes insufficient filling.

- Excess filling and insufficient filling both affect the function of the transmission.

- An extra ATF check must be performed for vehicles with auxiliary ATF cooler page 37-138

- The ATF temperature is read out by the VA5G051 tester or VAG1551 Scan Tool (ST).

Checking ATF temperature


pic 2



- Connect VAS5051 tester to vehicle with VAS5051/1 diagnostic wire. Alternately, VAG 1551 Scan Tool (ST) can also be attached using VAG 1551/3 adapter.
- Start engine.



pic 3


When indicated on display:
- Press buttons -0- and -8- to select "Read measuring value block" and press -Q- button to confirm input.



pic 4


When indicated on display:
- Press buttons -0-, -0- and -4- to select display group "004" and press -Q- button to confirm input.



pic 5


When indicated on display:
- Read ATF temperature in display field 1.

Checking and correcting ATF level

Notes:
ATF level is checked at the ATF check plug.
ATF level is correct if a little bit of fluid still escapes at the ATF check plug between 35 and 45°C* (dependant on the fluid level when warming up).

*For warm countries 50°C


pic 6



- Secure container of VAG1924 ATF filler tool as high up on vehicle as possible.
- Raise vehicle.
- Place VAG13O6 drip tray under transmission.

WARNING: Wear protective glasses.


pic 7



- Once an ATF temperature of 35°C is reached, remove ATF check plug -2- and drain excess ATF if necessary.
- If ATF exits from the ATF filler plug hole before the ATF reaches 40°C, the ATF level is OK.


pic 8



Note: ATF check plug must be closed again by 45°C at the latest. For warm countries 50°C

- Add ATF if no ATF has escaped from the ATF check plug hole by 40°C.
- Insert VAG1924 ATF filler tool into an opening - 4- in the protective cap, but do not knock cap upward.
- Fill with ATF using VAG1924 ATF filler tool until ATF exits from the check hole.


pic 9



- Always replace seal (arrow) for ATF check plug.
- Tighten ATF check plug to 80 Nm.
- Press button on VAGI551.
- Press buttons -0- and -6- to select "End output" and press -Q- button to confirm input.


Joe

Dec 14, 2020 at 4:01 PM