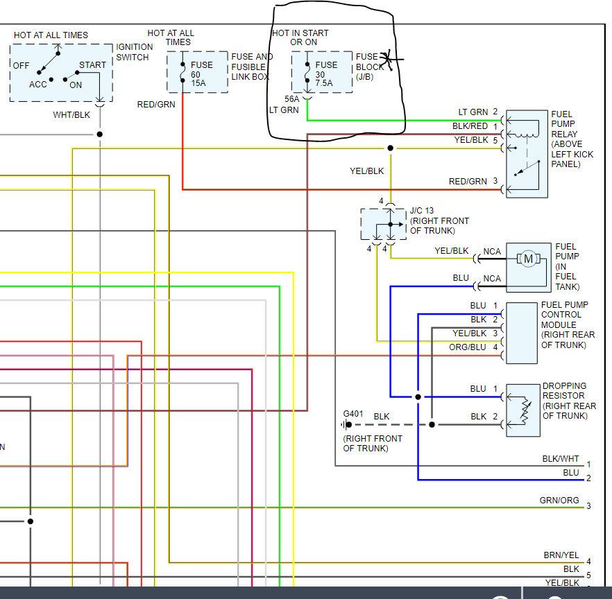
I replaced the stock stereo with an aftermarket one. afterwards I started the car and went to leave made it to the end of the driveway and it shut off and couldn't get it to start back. so I thought the fuel filter was clogged, so I replaced it nothing changed. then realized the fuel pump wasn't working, so I replaced that still no change. there is no power to my pump, so I changed the relay and still nothing. any ideas? There is power to the relay it is just not getting passed there. any clue? Thanks in advance!
Feb 12, 2019 at 6:43 PM





