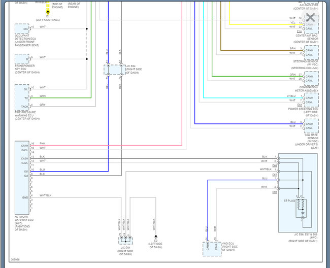
I have the vehicle listed above S that i purchased and it had been in a small fender bender but nothing major. I tried to start it and it attempted to crank but it won't start. when i tried to check the obd reader to see if it had any codes, it wouldn't turn on at all. I checked to make sure the pins behind the obd port to make sure they were not corroded and i also tightened the ones that were a bit loose and pressed on the folded part of the pin to close them in more in case the pins weren't getting enough contact from the obd readers. I checked all the fuses to see if any of them were blown and all of them were good. I also tested the relays under the hood and inside under the steering wheel. I then checked to see if the obd port was getting power and it was but only 4.5 volts. I know it's supposed to have a constant of 12-volts but it doesn't. I've changed the battery to see if that was the cause but no luck. I tried unplugging all the wiring connectors and relay and putting them back in to see if that would do anything and still no change. I also checked some of the ground connections that i could find near the battery cables and sanded them a little to make sure they weren't dirty or corroded. I started to test some of the different wires coming from the engine and found this one above the pink 30 A with three wires going into it. From testing it by chance i found if I have the obd reader plugged in when i have a fuse tester grounded and touch the red power cable with the pin directly below it. It powers the obd reader on if i hold a grounded metal touching the red cable and the pin directly below it. But even when it powers the obd reader it still says on there to check the connection to make sure obd connection is good and to make sure the ignitions is not on. Then after scrolling down, it still says unable to establish a secure connection. I'm at a loss as to what it could be. If anyone has any advice or solutions as to what it could be it would be greatly appreciated. Thanks
May 16, 2022 at 9:30 PM


