Thanks Ken -- much better schematic than Haynes -- Yes, I have a Foxwell scanner that works on other cars and a wireless OBD2 Car pro -- no where can I find wire schematic (there is vacuum line schematics) to the much confused vent valve (under hood) and vent solenoid (charcoal canister) behind drivers tire. Both have two wires going to them.
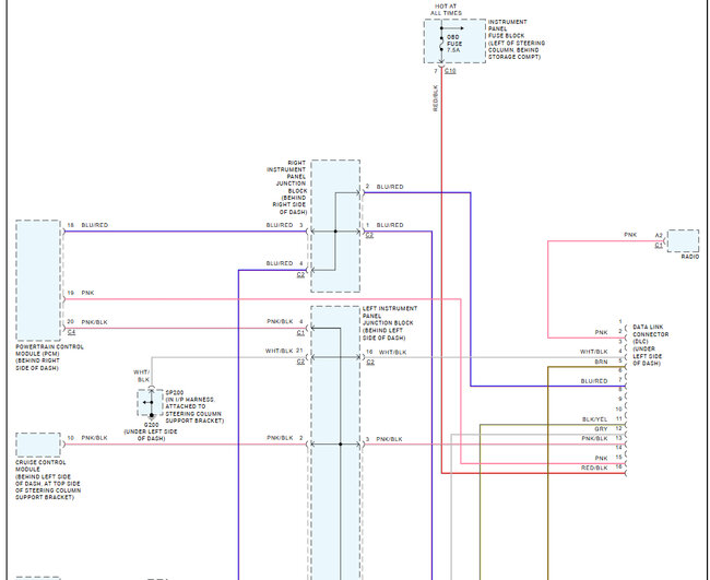
Also, your site will only allow one picture up loaded -- I wanted to follow the red/blk
wire on picture one but again, only one hot wire to the DLC I guess I can run a jumper and by-pass any harness problems. The car runs and idles fine -- it seems slightly better when the CEL lite is out -- not really limp mode but noticeable. I've only pot 3000 miles of the 213,000 on it -- fuel injectors couldn't hurt but the have their own power and relay -- coils should show a miss fire but they get replaced at my first tune up. I've owned Toyota's
since the early 70's and many Corolla's, Matrix and this my fourth Vibe --- tis a mystery.
Yes,, I will share if and when I figure this out.
Jan 10, 2026 at 12:14 PM