OBD not communicating?

2016 SUBARU OUTBACK
101,000 MILES
Avatar
JPYTELL
  • MEMBER
  • 1 POST
We moved and needed to get an admission test. The emission tester couldn't connect and mentioned that it could be a blown fuse. No other mechanical/electric issues. I saw your video on this, but I cannot figure out which fuse to check. Any help would be appreciated.
Jul 22, 2022 at 1:37 PM
Advertisement
Avatar
AL514
  • CERTIFIED EXPERT
  • 5,465 POSTS
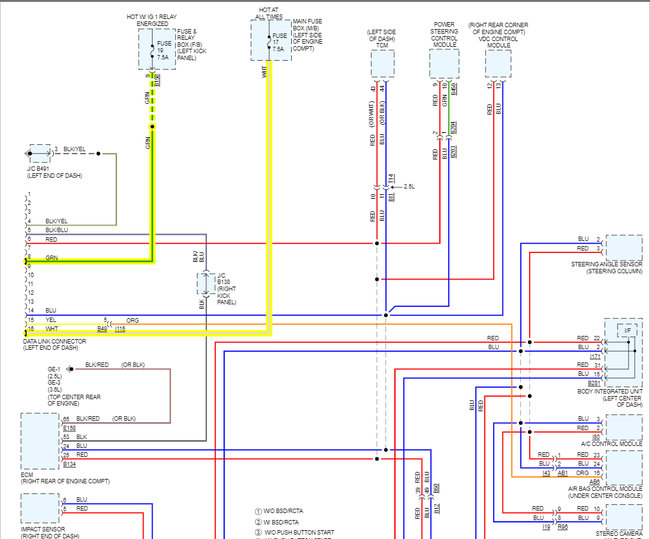
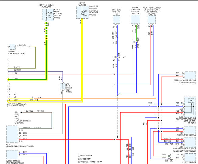
Hello, have you had your vehicle at any shops for repair since you've owned it? And what size engine do you have, 2.5 Liter or 3.6 Liter? Here is the wiring diagram for the Data network in the vehicle, you can see there are two fuses on the highlighted wires, those are the feed to the Data Link Connector. Has the check engine light been on at all recently?
There have been some issues lately where shops using aftermarket scan tools have connectors on them that are thicker pins than the factory scan tools, this causes the pins on the Data Link Connector (DLC) to spread the female pins on the vehicle. This can cause other scan tools to not make good contact with the DLC pins afterwards and therefore no communication results. But check the fuses first. And see if either of those two are blown. If not, I'll get you a diagram with some other fuses to check, just in case a computer module has blown a fuse.
Also, you do not have any other devices connected to the Data Link Connector, do you? There are some devices on the market that claim to help the customer to diagnose the vehicle without taking it to a shop, but some of these devices can cause damage to some networks on Subaru's.
One last piece of information, is your vehicle equipped with the Subaru STARLINK Telematics System? It looks like it's a subscription-based service through Subaru.

https://www.2carpros.com/articles/how-to-check-a-car-fuse

https://www.2carpros.com/articles/checking-a-service-engine-soon-or-check-engine-light-on-or-flashing
Jul 22, 2022 at 3:24 PM