Obd port not working

2002 SUZUKI XL7
15,000 MILES • 2.7L • V6 • 2WD • AUTOMATIC
Avatar
WADE22
  • MEMBER
  • 1 POST
My obd port on my vehicle listed above does not want to work and when I start my vehicle after seconds it just shuts off without warning.
Jan 25, 2021 at 12:07 PM
Advertisement
Avatar
JACOBANDNICKOLAS
  • CERTIFIED EXPERT
  • 110,175 POSTS
Hi,

When you plug into the DLC, does the scan tool power up and indicate it is connected?

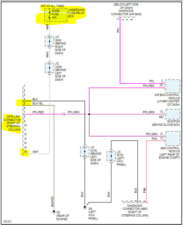
If you take a look at the attached pic, it shows the data link connector (DLC). I need you to first confirm there is power to pin 16. You should have 12v there. If you do, then I need you to check pins 4 and 5 for continuity to ground.

Here is a link that you may find helpful when doing this:

https://www.2carpros.com/articles/how-to-check-wiring

Note: If there is no power, confirm the fuse for the dome light (highlighted) is good and has power to and from it. Here is a link to help with that:

https://www.2carpros.com/articles/how-to-check-a-car-fuse

Let me know what you find.

Joe

Jan 25, 2021 at 7:36 PM