OBD port no communication

2008 CHEVROLET CHEVETTE
139,000 MILES • 6.2L • V8 • 2WD • MANUAL
Avatar
WILLIYAAJ
  • MEMBER
  • 1 POST
OBD2 when connected and key on, I get communication error. car turns on and runs, I get check engine light when there is a problem.

might need a diagram or something. :)
May 17, 2021 at 7:57 AM
Advertisement
Avatar
KASEKENNY
  • CERTIFIED EXPERT
  • 18,907 POSTS
i assume you meant it was a Corvette and not a Chevette?

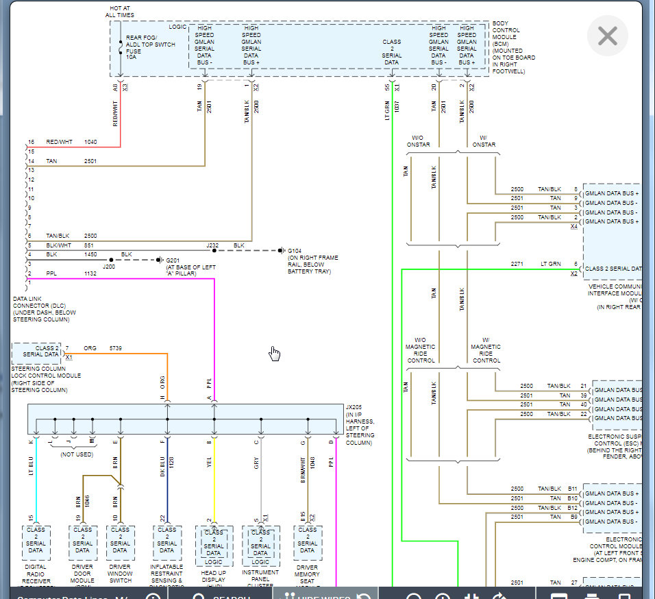
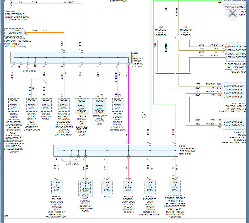
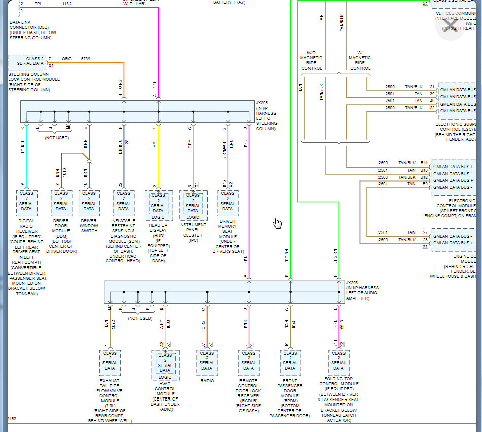
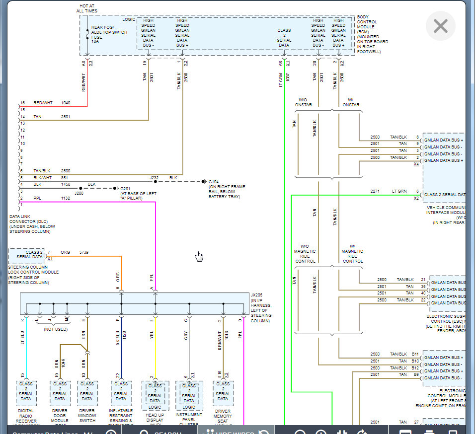
Sounds like there is a communication/wiring issue with the BCM so we are going to need to start with checking the voltage to the DLC just to make sure it is not a wiring issue with just the DLC.

Here is a guide that will help with testing the wiring:

https://www.2carpros.com/articles/how-to-check-wiring

Basically the way this works is the DLC and scan tool communicate directly with the BCM and then the BCM communicates with the other modules.

So we need to see what the voltage is on pin 6, 14, 16 and that there is a good ground on 4.

Please let us know what questions you have.
May 18, 2021 at 4:15 PM