Hi,
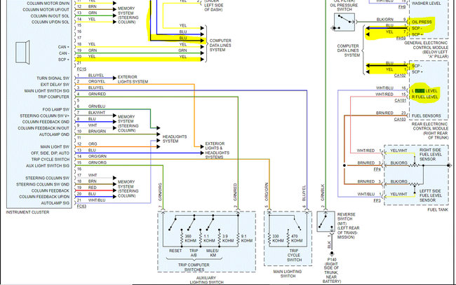
The rear electronic control module is tied to the instrument cluster, fuel gauge, and oil pressure light via what is called a CAN bus. CAN stands for controller area network. I would recommend checking the wiring at that module as well as at the instrument panel for a location where the two wires (blue and yellow) have crossed or a connector has failed. It seems (and this is a theory) power from the fuel gauge is being sent to the oil light and not the gauge.
If you look at the pics below, I included the wiring schematic related to this issue. I highlighted the wires I recommend checking. Here is a link you may find helpful:
https://www.2carpros.com/articles/how-to-check-wiring
Also, I strongly recommend having the CAN bus system scanned. As mentioned, the can is a network that ties all modules together via a few wires. If there is a fault in the module, it should be indicated via a diagnostic trouble code.
Here is a quick video showing how it's done:
https://youtu.be/InIlnsjOVFA
Let me know what you find or if you have other questions.
Joe
See pics below.
Images (Click to enlarge)
May 29, 2021 at 11:01 PM