oil light on and oil pressure dropped

2009 FORD F-150
220,000 MILES • 5.4L • V8 • 4WD • AUTOMATIC
Avatar
LARRYHAMER
  • MEMBER
  • 1 POST
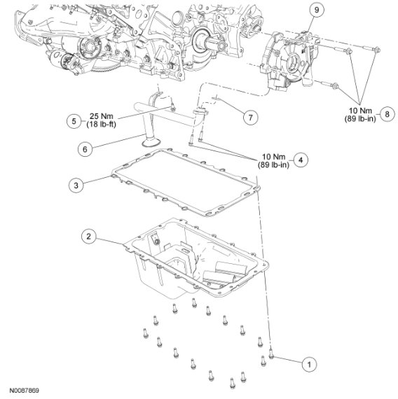
just replaced timing chain, oil pump. VCT solenoids. all timing components. cam phasers. got it all done started beautiful no noises but drove home about eight miles then all of a sudden engine oil light comes on and then oil pressure completely dropped and vehicle shut off, now it will not start at all. tore it all apart and checked everything seems fine plenty of oil. what do you think happened?
Feb 19, 2018 at 5:40 PM
Advertisement
Avatar
SQM
  • CERTIFIED EXPERT
  • 6,383 POSTS
Hello,

Have you tested to see the oil pressure? If not lets get the oil pressure tested to see where it is.
If no oil pressure then you could have a faulty oil pump. I know it was recently changed but something could have gone wrong internally.
Also if you have a faulty sensor it could give wrong signal to the PCM which can cut fuel or spark to the engine and make it not start.

Here is a guide that will help on low oil pressure:

https://www.2carpros.com/articles/high-or-low-engine-oil-pressure

Let me know if you have any questions.

Thank you.
Jul 17, 2021 at 9:31 PM